EasyManua.ls Logo

ICP N9MSE - 1 Isolation Relay for Humidifiers with Internal Power Supply; Example of Single Stage Furnace Control for PSC Blower Motor

ICP N9MSE
56 pages
Print Icon
To Next Page IconTo Next Page
To Next Page IconTo Next Page
To Previous Page IconTo Previous Page
To Previous Page IconTo Previous Page
Loading...
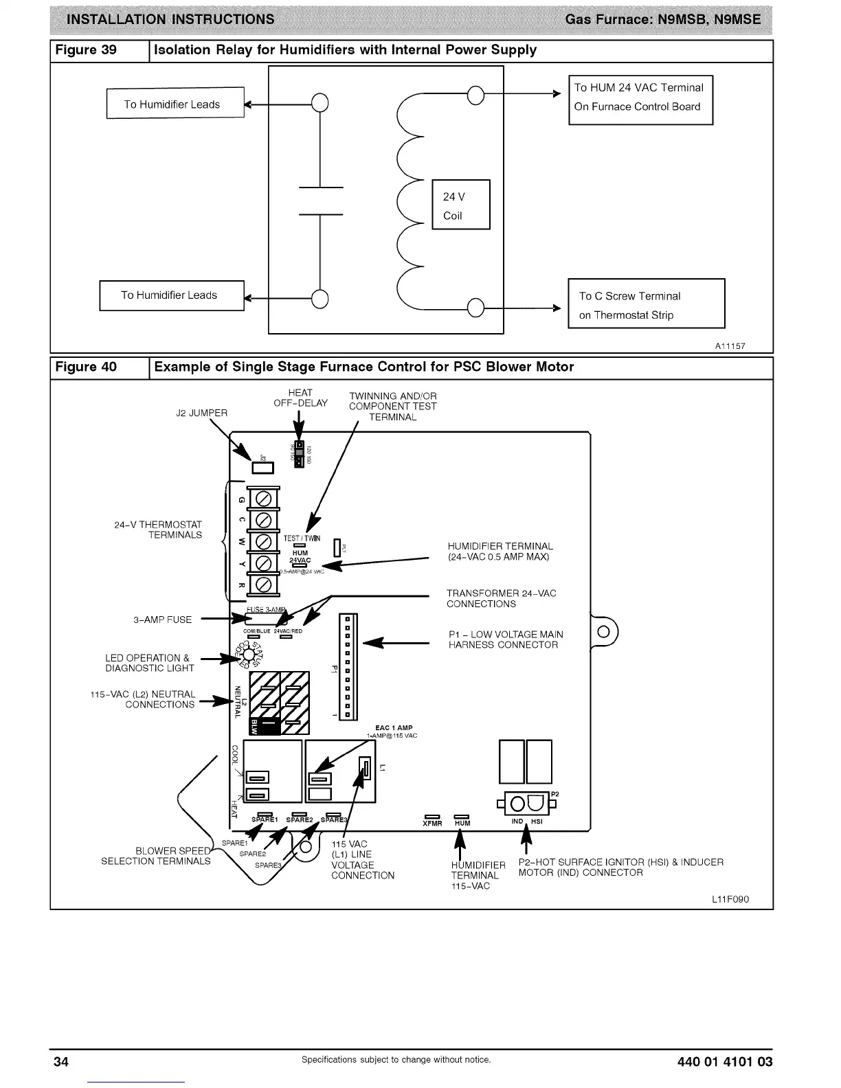
Figure 39 1Isolation Relay for Humidifiers with Internal Power Supply
To Humidifier Leads
To Humidifier Leads
O
24 V
Coil
O
To HUM 24 VAC Terminal
On Furnace Control Board
To C Screw Terminal
on Thermostat Strip
I
Figure 40
Example of Single Stage Furnace Control for PSC Blower Motor
HEAT TWINNING AND/OR
OFF-DELAY COMPONENT TEST
TERMINAL
24-V THERMOSTAT
TERMINALS
J2 JUMPER
\
8-AMP FUSE
LED OPERATION &
DIAGNOSTIC LIGHT
115-VAC (L2) NEUTRAL
CONNECTIONS _'_
BLOWER SPEEE
SELECTION TERMINALS
TES&_W,.rlHUM _ HUMIDIFIER TERMINAL
(24-VAC 0.5 AMP MAX)
TRANSFORMER 24-VAC
CONNECTIONS
P1 - LOW VOLTAGE MAIN
HARNESS CONNECTOR
XFMR HUM
115 VAC
(L1) LINE
VOLTAGE
CONNECTION
IND 1 HSI
Al1157
HUMIDIFIER
TERMINAL
115-VAC
P2-HOT SURFACE IGNITOR (HSI) & INDUCER
MOTOR (IND) CONNECTOR
L11F090
34 specificationssubjectto change without notice. 440 01 4101 03

Table of Contents

Other manuals for ICP N9MSE

Related product manuals