EasyManua.ls Logo

Igema FARB2 - Wiring Diagram 110 - 240 V AC

Igema FARB2
32 pages
Print Icon
To Next Page IconTo Next Page
To Next Page IconTo Next Page
To Previous Page IconTo Previous Page
To Previous Page IconTo Previous Page
Loading...
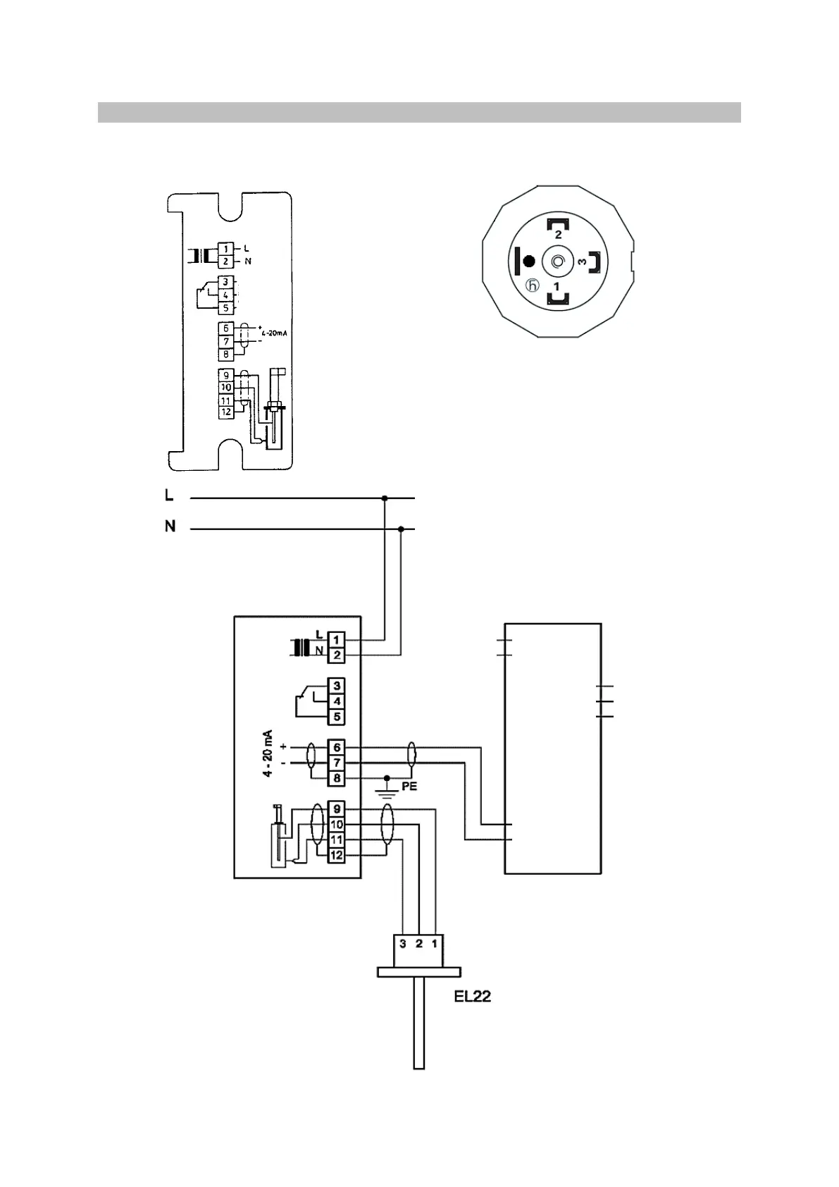
14
1 Electrode rod
2 GND
3 GND
--
Signal
output
Auxiliary
voltage
e.g.: Valve, PLC,
industrial
controller
FARB2
5.3.1 Wiring diagram 110 240 V AC
Back plate Probe plug
user site
potentialfreier
Schaltausgang
potential-free
switching output
potentialfreier
Schaltausgang
potential-free
switching output