EasyManua.ls Logo

Igema FARB2 - Wiring Diagram 24 V DC

Igema FARB2
32 pages
Print Icon
To Next Page IconTo Next Page
To Next Page IconTo Next Page
To Previous Page IconTo Previous Page
To Previous Page IconTo Previous Page
Loading...
15
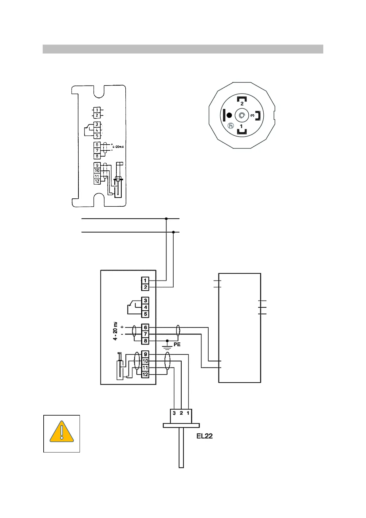
1 Electrode rod
2 GND
3 GND
ā— --
+
-
FARB2
Signal
output
Auxiliary
Voltage
e.g.: Valve, PLC,
industrial
controller
+
-
+
-
5.3.2 Wiring diagram 24 V DC
Back plate Probe plug
The negative connection
of the supply is
connected to PE
via the probe ground!
Caution
user site
potentialfreier
Schaltausgang
potential-free
switching output
potentialfreier
Schaltausgang
potential-free
switching output