EasyManua.ls Logo

IHI 9VX3 - Page 53

IHI 9VX3
136 pages
Print Icon
To Next Page IconTo Next Page
To Next Page IconTo Next Page
To Previous Page IconTo Previous Page
To Previous Page IconTo Previous Page
Loading...
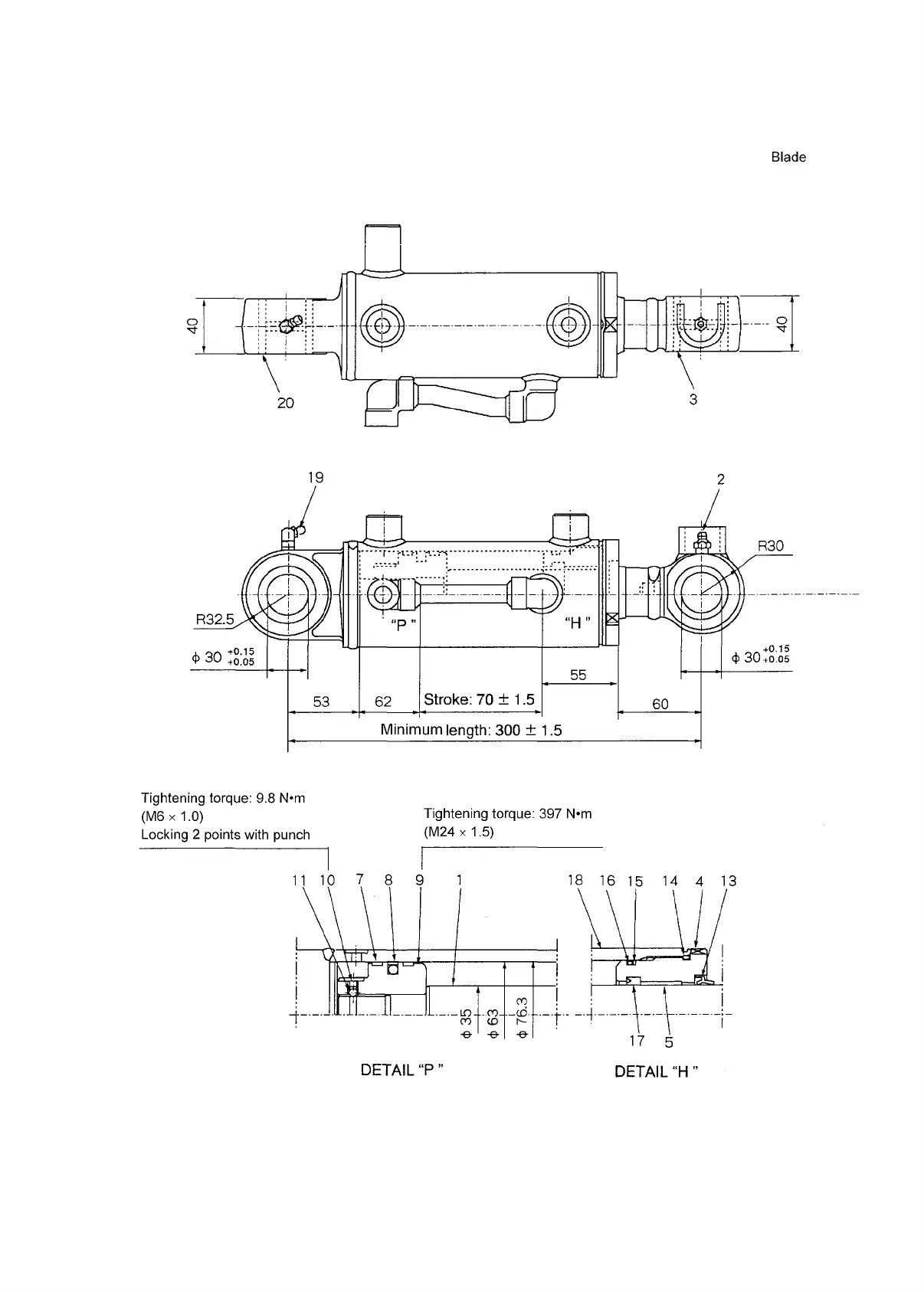
Blade
Tightening torque: 9.8 N*m
(M6 x 1.0) Tightening torque: 397 N*m
Locking 2 points with punch (M24 x 1 -5)
DETAIL P
DETAIL H

Related product manuals