EasyManua.ls Logo

IKEA IH6302YS0 - Wiring Diagram

IKEA IH6302YS0
44 pages
To Next Page IconTo Next Page
To Next Page IconTo Next Page
To Previous Page IconTo Previous Page
To Previous Page IconTo Previous Page
Loading...
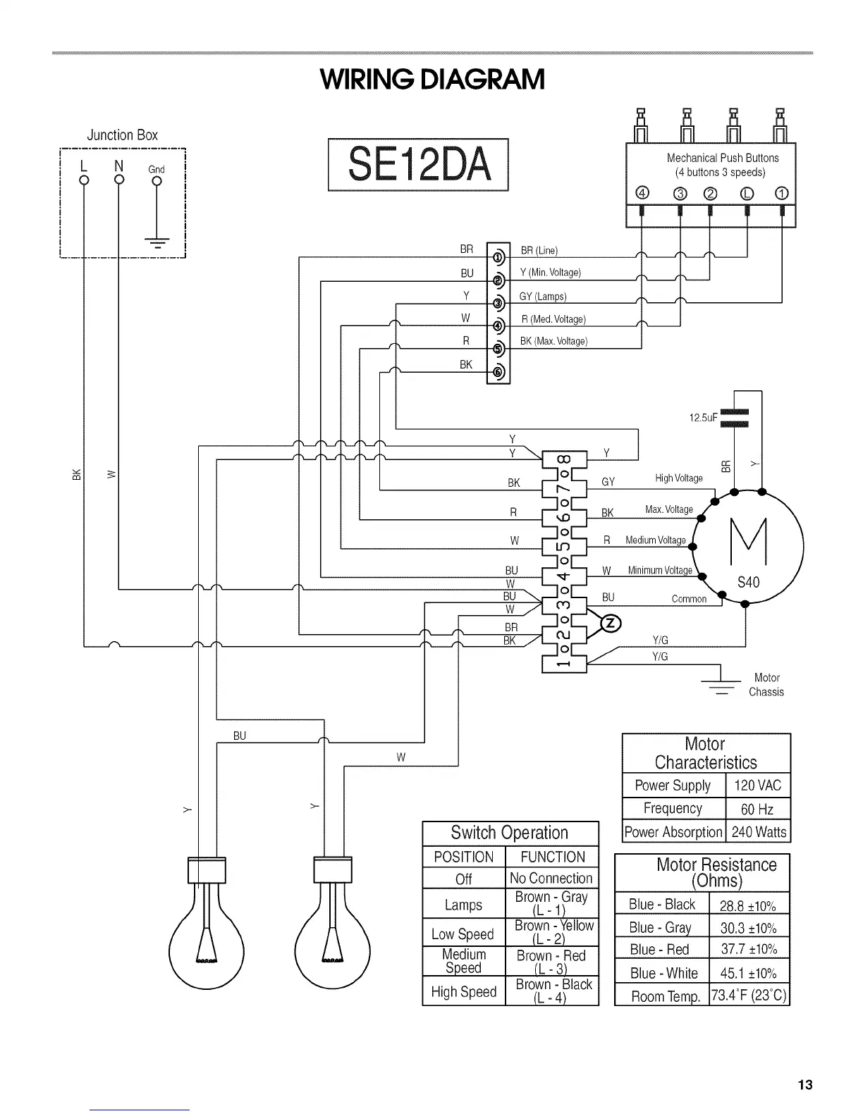
WIRING DIAGRAM
Junction Box
i........................ ']
! L N Gnd i
! i
I
! i
1 i
, !
i...................... j
>,-
i SE12DA
I
BR--
BU
Y ¢
w ¢
R ¢
BK--e)
BR (Line)
Y (Min.Voltage)
GY (Lamps)
R (Med.Voltage)
BK(Max. Voltage)
Mechanical Push Buttons
I (4 buttons3 speeds) I
®® ®_
I F- I I II
f',, 1,,,
BU
>-
",._f
",,._r
BK GY HighVoltage
, q_o#O.'axV°'"°efk,4\
W R MediumVoltage_ vI )
BU _,__O_ W MinimamVoltage_ S40 /
, BK /_L°'-l,.__ - Y/G
" _ Y/G
Motor
-- Chassis
W
Switch Operation
POSITION FUNCTION
Off No Connection
Brown- Gray
Lamps (L- 1)
Brown- Yellow
LowSpeed (L- 2)
Medium Brown- Red
Speed (L- 3)
Brown- Black
HighSpeed (L- 4)
Motor
Characteristics
PowerSupply 120VAC
Frequency 60 Hz
PowerAbsorption 240 Watts
Motor Resistance
(Ohms)
Blue- Black 28.8 __.10%
Blue- Gray 30.3 __.10%
Blue- Red 37.7 +10%
Blue- White 45.1 __.10%
RoomTemp. 73.4°F(23%)
13

Table of Contents

Related product manuals