EasyManua.ls Logo

Ikegami HTM-1550R - Page 8

Ikegami HTM-1550R
153 pages
Print Icon
To Next Page IconTo Next Page
To Next Page IconTo Next Page
To Previous Page IconTo Previous Page
To Previous Page IconTo Previous Page
Loading...
'
RtR- l
In Io• I
8/8-T (
I~ /o I
I
I
EJCT STN
, n loot j
I
IHPUf
I
VIRELES
'
2
'
3
YIOEO PROCESS!
euFrrR lf------,~----'"".'''---------..f::::::--=-:::::::::i
AHP I rSELECIOR
COHTIROL
a .r-----:-----:--1._ _ _J ROB/ l Pb P,
BUFFER 1r2 ~~!:;x r-'
1
srLECIOR
AHP &
~
'"'
T coJ1 ROL
I r RGBtTPbP,
BUFFER 1.___. __ =•-~·-----·-~-l'~'~'~'~'-'_'~"..J
,HIP I
I
,,
CONIROL
ftC8/TPbP,
0 0
>
OPI ION HOOULEI
SIGNAL
BUFFER r
OECOOE
CIRCUIT
'"'
OH/OFF
CONTROL
I
I
M
OUTPUT I
SELECT I
f-'--1
OUIPUI I
SELECT I
M
OUTPUT I
SELECI I
~11211'
It 11PU)
SERI/PARA
CONTROL
mH,,
.---+1I LATCH
I
'
4
HOitl~RLf~~RO
T R-T B-Y
OU T I' U T L.ft.:i__
SELECT I
coJJROL
ROB/YPbP,
OUIPUI I y ....
11-, I
I
'
5
'
OEL A Y
I
I
I
H BL K
~
I
""
6
'
. .
. a a
1 i
.
l
YI OED
"'
~
AHPI.CLP
ROB HAIRIX
7
'
8
'
RCS OUT I
R SCR I RI y I OEO I J
ON /Of F lf----1---1-"S I A HP lf---t----j----------,,,
9
'
"'
TOKE
10
"'
SELECI ~1----<f----l---;..L
I
OELU
I
I I
CONTROL
I
H BLK
f-'-
BRIOHINESS
7AHP&CLP
I
C SC R l<-----1---1---"! o I Yf OE O lf--+~--t-J I
OH/OFF I I AHP I
co_J. ROL
RG8/YPbP,
OUIPUI I e-Y
SELECT I
'" & YCO
I
'"
,.,
4---
HARACTERi:::::::R;X~
ENE J----i.~Q
I
""
CONTRAST
APER I URE
CHR0l1.0.
BEEH FEED
8-TI
DEL A J
I
.I H BLK I B-Y, B.O.CK B J.o.tlP&CLP
--+-<SI HIK ~<,-~~~--JI
B S CR I B.. I VIDEO lf--+t--,~-t--~
OH/OFF lf-----jH--'>11 .0.HP I
I
~
EDGE
'"
1
I
SERI/PARA
CONTROL
I
I
I
OH/OFF
CONTROL
•12Y-
~
•ISY
I D I C I I A~
•12Y-
~
-•ISV
{AN.O.LDG~
-12Y~-15Y
•5Y~•7Y
BEEH FEEOB.O.CK
R.ccdl
c.cc---~
B. CO _____ J
I """'
~
~----------t--+----11
HOLD
'[',",',".','. _,,, l
CON I RAST
.O.PERIURE
CHROHA
G.O. IN
BACK CRAUNO
~
-~
I SY~~• I 2Y
-15Y~-12Y
' 1 y
~
5 y 1
HE .0. I E R
~
,-------.!:ii,C. t,,,,,7
J F/V I _J DRIVE
II CONY
'-------,J___.J
>
.
H DEF PIS CONT
~
t
-
w
T
I
rr'" "" I
H. DEF
I
H CEHIERI
'"'
I I
rECIIFIEA
HY OU I I
I 20Y
SNUBBER I
CIRCUIT
u
uJ O - Z
~
~
~"'
--+---"•' DYN.O.HIC L "" ;;: :;
~
I FOCUS I ::,: < "'
0
"'
L____.r=" ,.,;z.--,"' t: J t I
,---~,j C 1 ,SR A ,a H S O :::::.J
--=---f~~
I I
H DEF OR I VE - 4 ~F~H ON
1
~-------,-----+---+-1--------,l-l-l:::!F.~-1•:-:J,i,1,:;;;i
ou"•'---.. CIRCUIT CIRCUIT I I ~l=~~l~RO
I 2Y
n
~26¥FH~I
CIRCUI I I
OF PULSE(_
,-------,-• L.EHERATOR~
yo V DEF DRIVE
_.____ CIRCUIT ---{_'~·~'~'-'_i------------
OUI V DEF
Y PO!. TIDH
SERI/PARA
COHIROL
OH/OFF
CONTROL
1 SA11PLE
,~--ii
HOLD
I
I H • Y OUT
~--~I
---~
REHOTE ( }--------7
-,-u-,-,-,-,~
1
111x
SERIAL (
REHOTE(
SERIAL
CONTROL
AHP 1-.-=:f
I
I
I
I
"
,
.
<
0
I
!POI/ER OH I
i------11 RESET
0
0
<
HD fSGl--, FORHAT
YD ISGl ---..I DETECT
LATCH
ru "'" r-
~--~
S.O.HPLE
HOLD
I l A TCH
r I
w
EPROH
LJ LAICH
HBUS
BUFFER
r""
I
I
'"
COHY
I
I
SELECT I
FBP ::f
W
TEsr
1
s1c.
HARKER
CENE. I
I
1
-,_ ___ __J~ESTI
r..-=c--7YCO T T
1
2711H, HO/YO I
X IAL GENE
NO SYNC HD ITE!TI YD,llESTI
LJ 0/A
-, CONY
I
SllllCHINC
•ISSY~
I 5 Y
-15Y RECTIFIER
SI/ITCHING
IIIANS
'"'"''~
,,v-
¼ I 20V
.,
'
ECTIFIER
VOLT .0.GE
Jo£1EC10R
Ill TCHINGI_HVI tCHI NCr---
lA.0.NS I CIRCUI I k_
_1:1=========~=~~~·~'~'~'~'~'~'}-
P /S COHT OETEGlOR
POI/ER ON RESET-------------------~
..
I
VOLTAGE
$El Ft:TnR
CONTROL !FRONT PANEL
r--1
LAICH
" 1T1
,. I
SV
ENCODE
11A TR IX
HA IR IX
L__
I
~
LAICH I
I I
"'
I
"'
1
I
ADORES$
AOORESS r-
DECODE
DECODER
OECAUSS COllf
~!"i"•"u"s",~L ....._J DEG .o.us s I
trA?f~l 1 ·1 coNTRoL
ECTIFIEAr-
'
AC IN
-5-
'
I I T I 2 t.
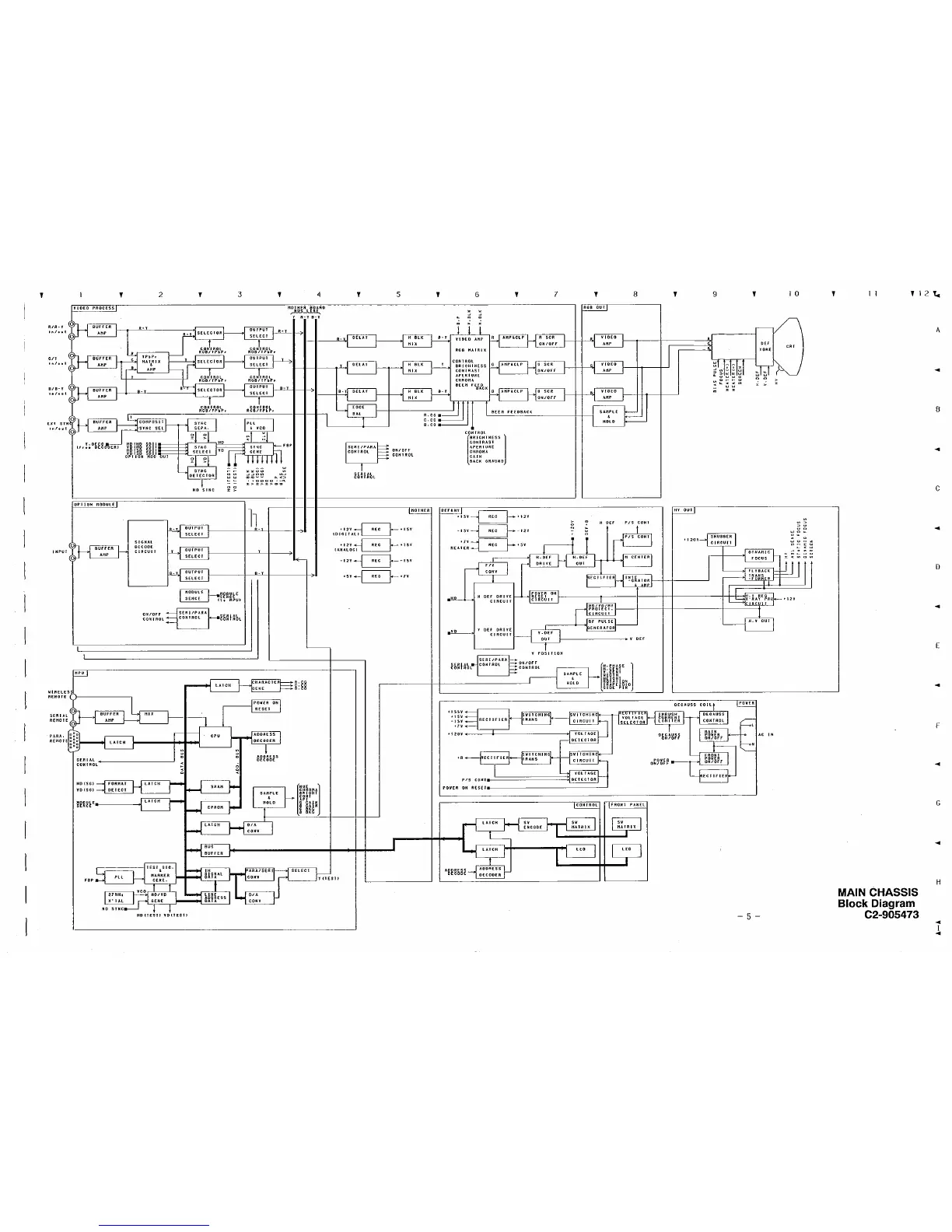
MAIN CHASSIS
Block Diagram
C2-905473
A
8
C
D
E
F
G
H
I

Related product manuals