EasyManua.ls Logo

Ikegami HTM-1550R - Page 9

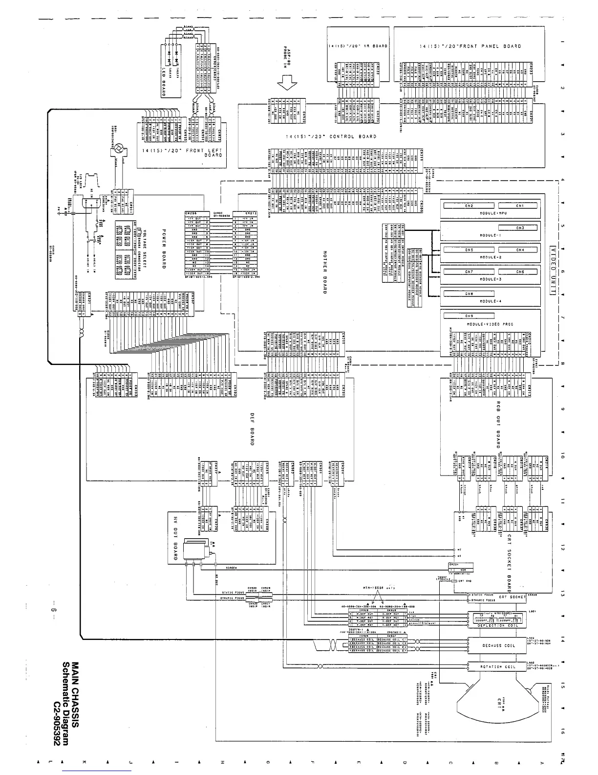
Ikegami HTM-1550R
153 pages
Print Icon
To Next Page IconTo Next Page
To Next Page IconTo Next Page
To Previous Page IconTo Previous Page
To Previous Page IconTo Previous Page
Loading...
"'
;0
rH?r
r
m
0
- -
0
0
>
"'
0
,i,1,1,
ar.r.r.
=1=1=1=1 ' :: :: :: :: '-
II\\
ll
,. i
r;; ................ -:;: ...
~
.. -
mmlml;Ji§Et
mnfllU =IJt z
~
:
»
o•
..
m,
.
-o
~
l1Bllir[j
14(151"/20"
14C15)-/20" VR BOARD
\l,l,lll111111111111!1
~
0
1·1·1--,-1 .. 1·1 .. 1 .. 1-
i I I I I I I I I I
;1°1-1-1 .. 1 .. 1 .. 1 .. 1 .. 1-
,-
14 (1 Sl '"/20"FRONT PANEL BOARD
~I~.., ..... ::: :
~
~t1, ; ; ; ! : : : : ; " , : ; : , ! ; ; : : : : '. '. : '. '. : : '. : 1::-
; I I I I I I I
!l•l:lml!l!lllililll !
----.. -
, •. ,,,,,,
::::::,::=::=:,:,-1-1-1-1-1-1-1-1-1 1---
···, ,_,_,,,,.,_,1_1_1_1_1_1_1_1,1,
!!!!!HI
; ~;: ; .., ;: ... ; g;.., ! - ;1..:1.:1:::p:1.-:1~1.:IJI "
1
CONTROL BOARD
~
"
14(15)"/20"
FRONT LEFT
BOARD
~!I ;I ;I~ ll !I ;I ;l;I ;I ;I~~ 11 ;l;I ;I ;I ;I ;I ;I ;l;I ;I ;I ;I !I !I !I ;I !I ;I ;I ~I ~I ;I ;I 11 ;I ;I:
r-----
-------------7""'
I
fi
.
' .
•If-@
l ~! !; i; ,.
•1••1•
" ·1•1
~
;
~
:: "'
CN20&
1 l!l~l:l~ml~l*lil;l~~!l*l~l~l·l·l,1,1,1,1,1,1!l!l!l!l:l;l;lllil:l:l1I-I-I-I .
~
-:
'I 'I 'I 'I 'I 'I 'l"I 'I 'I:! 'I 'I 'l"l 'i 'I 'I 'I 'I 'l'l 'I 'I 'I 'I :I :I 'I :1 ·1 ·1 ·1 ·1 ·1-1 :I ·1-1-
~UOJ
Sl•90~UI
CN •,
I
CN2 CN1
MOOUL.E•HPU
I
I
•IT OUT
.,, 1•
~•
~
0
"
~
"'
m
•n-,-.
""Sii6"
• .,, our
...
.'i'T,""'j'i
CNJ
MODULE-I
~
I
I
rir
;;1~,
m
"'
•, ,, our
•,-H-10
'
'
1;
.t:::I
CN 5
[
CN<
r:;il
a,
0
...
"
>
"'
..
" "
- -
o"ii'o'""
"
0
~
-
MOOULE-2
0
--
--
"'
. .
~~1~
~~
~
0
•,-,,,-our 1,,
,,1 ... ,. ,.
"
m
"'
a,
0
>
··I-·
---
1-=1
'"'
[
CN6
0
11 0,
~,,a;;-1,0~•2.,Rc OF, 8• ! 60S•2, ,~c
HOOULE-J
C
z
-
~
11;1
;1;1;1,l,l,l,l,l=l,ldd,IJl:1:1.1-1-1=1=1~11_.J
"'
0
.._,
CNS
~'•
:i: ::::
L"'
~
~LI
~
;i;l-1-1'1'1 ·1·1'1'1'1' ""~;""oo~~
'l'l'l'I•
~~00
I I I I I I I I I I I I I I I I I I I I I I
-
'--7
I
I
I
I
MOOULE-4
"'
~
HOOULE•VIOEO ?ROC
11,-,
ijf1:1i
!_; :
·11-I
: 'ii
'.: >-I
;i ,I ,I ,I ,I ~I
.,I .,I ·l--1-1 .. 1 .. 1 .. I .. 1-1°1 ·1 •1 '"I "'I '"I "I '"I "l-
11 I I I I I I I I I I I I I I I I I I
1,1,1 !Ill ~1.1
1
1~ 'I •I !I :I :I '.I ~I :I :I '.I_
oj •I •I "I •I '"I •I '"i "i "Io•-,-, -, - '-, -, -, .• , -
I-
L __ _
1--_J a,
·'l'l:~t1·1;1 ;1-1~:
~~
,1
t
,1il l
~::j ~I
==1•,1~~,1=~==~··••-1••••1-
!I !I ·I ,1 :1 :1 ,j ,j al:I !I !Ill ll ll~
1
,I '
1
'
;ltlH~il1illllll~l:l~ljlil~l;l;i;l;I ~-
"
<
0
C
~
Wt
~
0
m
.,,
a,
0
>
"'
0
~1,1;1;1;
1
'
"'l"l"'l '"I "i'"l"l-
1 ii ii
m
-•. -------1-
ii:~=~~~
; -:;; = ; ;;
C>
a,
0
>
"'
0
~IHI~ 111-"-.... --
c•u• c••H
STAllC FOCUS
USIA IUIP
o•••"" ,ocu~ I
, •• 3~
C:NIJ\
!UI~
IUIR
~
11
;1;1;1;
1
:I
: : : :1 '."
1
·1
.
~
.. , .. , -
1-
~
MTH•!SSOR ,or,
A
I \
IO•IOH•~••• ZO• • 006 00 • IOIO•l04• I ll•OOS
\.__J1
, ....
H, OE~ OUT
~
..-m7iii
'10711-1 ,I,
IOl·IOOO•H•• r 1 o•QOo
N,OE~ our
~
oiTcu'r
'oi,'jiTT
3'0'80•1 .t.
, .. .,
r Ec,uss COIL 1otc:•u•• co,,
_<_o_ic,uss COIL IOH,uU COIL I~
l EG•uS& COIL UH•ucs cou l 3
~iOAUS& COIL > EOAUSS COIL
•I••
......
i•••• '1l•••••"
.J\
,-
'I 'I 'I 'I 'I 'I 'I '!:I 'I ·I ·1 ·1 ·1 ·1 :1 ·1-1 t
~i'l'l!i;lt
··11~
;:.:.:: ..
--., ..
;..;:; 0
~
=
.,
"'
r
'
1
1
'
1
'I ·I ·I 'I 'I ·I ·I 'I'
-•1• •no•"" o
- - -
. . .
"'
"
a,
0
C
"
0
>
"'
0
"l•l'l'I,
~w
~l~I
Ef:: ... : E!: ... .,
,' o""c ,' o""c
~
-;E -
- _.,
-..... - -......
"1°1·1·1·
E! 0 " ... =
ffl
7.'. :
:! -
~m-. ·1· - o" "c
:.:. -
I-
"
"'
~
V,
0
"
"
Lc•n•
J
m
I,~ _l,oH••oc,R_ 1
,f~cnc•o
L
I
~
a,
0
>
,,
0
HAile roc:u,
cRrSocKET •••••
DT .. HIC FOCUS
J
c-il••';/'"u!?A2, " I
G'i'o~~o~
r,
~
f' n 1 I
DEFLECT._ ..
LOOI
J
OEC~uss COIL
l
"°' ,,·,s1-10,uu
zo·,n•IOIIU
"'
0
~
"
~
(/)
L
.'.::====::xx====================:l:====:f-"";-;-;-;--;-;-;-;-;-;-~'-71.•o• ...
""' R0THJ0" COIL 1s·,ir•1021nA,
0
,
=-
1
' 20"•Sl•IOl•02D
g. 1!
~z .
3 'ff '--/ .. , I
~
mO
::.:C ( "'
(') n :;; J '"
11:)(/) "
I C ,,.. ....
co v- _,. _,.
5:~ en
"·" -, ;;; (7)
- m . -
IS 3
.l r .l A i, t.. .l - .l :r i. c, i. "17 .l 1"11 .l O .l r., .l CD .l > i'

Related product manuals