EasyManua.ls Logo

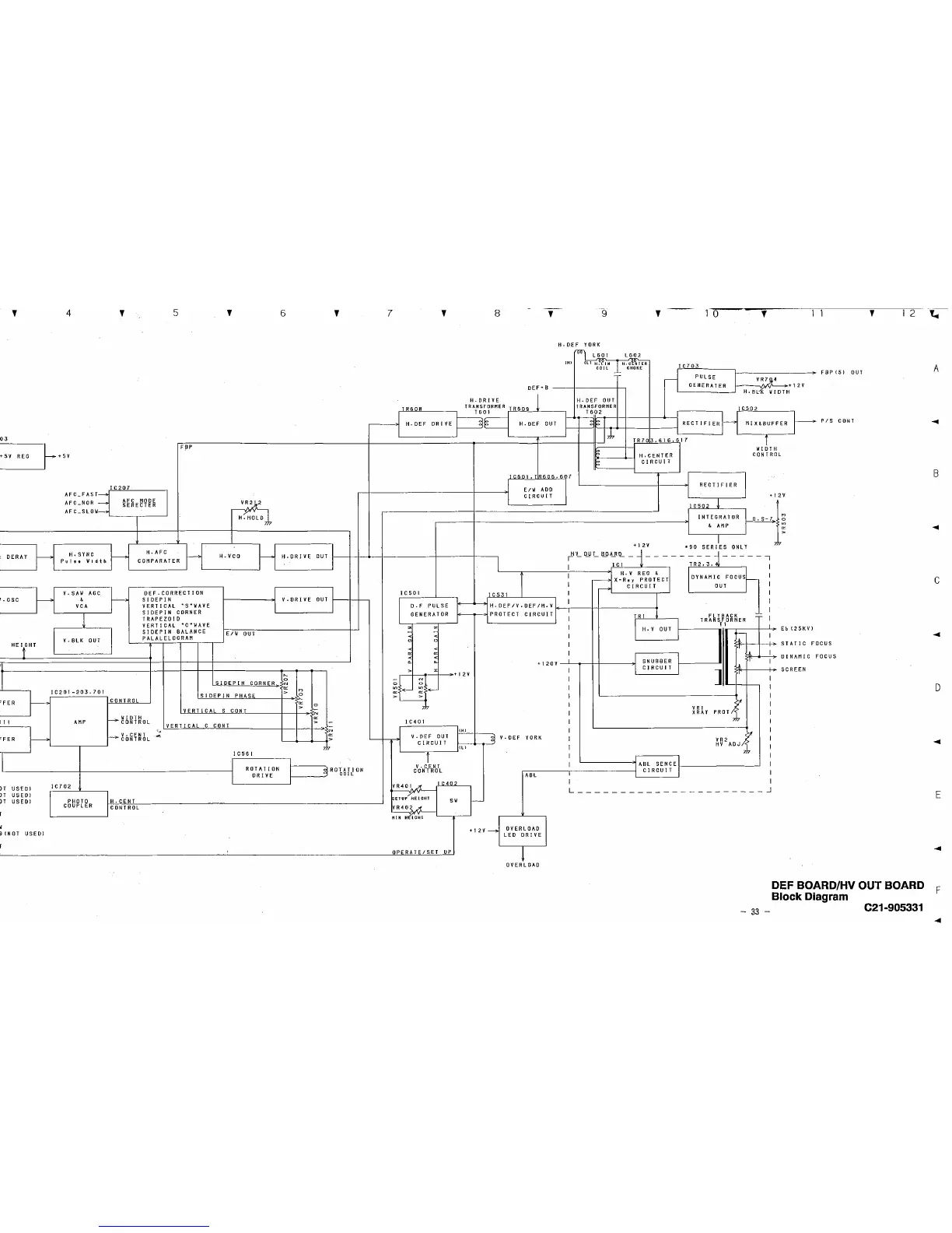
Ikegami HTM-1550R - Block Diagram

Ikegami HTM-1550R
153 pages
Print Icon
To Next Page IconTo Next Page
To Next Page IconTo Next Page
To Previous Page IconTo Previous Page
To Previous Page IconTo Previous Page
Loading...
'
4
'
5
'
6
'
03
~+5V
F~P
+SV
REG
IC207
AfC_FASf------;,
AFC_NOR ---;
AFC MODE
V R2j,,2
SERECTER
.
AFC_SLow-
H:H~L l
H.SYNC
H,AFC
H-VCO
DERAY
f------"
______.
i---. 1-----a
H- RIVE
OUT
p u I II '
W1di:h COMPARATER
V-SAW
AGC DEF-CORRECTION
r. OSC
f------"
--'---,
SIDEPIN V-DRIVE
OUT
VCA VERTICAL
ft.5 •WAVE
SIDEPIN
CORNER
l
TRAPEZOID
VERTICAL
•cftWAVE
SIDEPIN
BALANCE
E/W
OUT
V-BLK OUT
PALALELOGRAM
HEif HT
'
~
0
SIOEPIN
CORNER
N
~
n
IC201~203,701
>
SIOEPIN
PHASE
0
CONTROL
~
CF ER
-
~
>
0
-VERTICAL s CONT
N
-- ~b2t~ L
~
111 AMP
>
-
VERTICAL C CONT
..
N
_. io~f~6L
~
~
"FER
~
>
,.,
1C56I
ROTATION
~ROTATION
DRIVE
COIL
)T
USE DJ
IC702
)T
USEDJ
)T
USEDl
PHOTO H-CENT
COUPLER
CONTROL
r
I
~
IN OT USE DJ
r
'
7
'
8
'
9
'
1 0
'
1 1
'
12
H
0
DEF YORK
Fl
l601 L602
IH>
(Ll HY~1N 1 H,c_l:)l_TER
IC703
COIL CHOKE
FBP (51 OUT
-~
PULSE
V R 7~4
-
OEF+B
GENE RATER
+ I 2 V
H
0
BL'K W lOTH
l
H-DRIVE H
0
DEF
OUT
TR608
TRANSFORMER
TR609
TRANSFORMER
IC502
T 60 I T602
H
0
DEF
DR I VE
~I:'=
H.QEF
OUT
~
~
RECTIFIER
i---.
MIX&BUFFER
PIS CONT
,j,
TR70
3,616,617
i
WIDTH
H,CENTER
CONTROL
~
CIRCUIT
I C60 I, T R606,607
E/W AOO
CIRCUIT
IC 5 0 I
IC531
D. F PULSE H-DEF/V.QEF/H.V
GENERATOR PROTECT CIRCUIT
z
z
-
-
<
<
~
~
<
<
~
~
<
<
0.
0.
+ 1 2 0 V
>
r
+ I 2 V
-
N
0
0
~
:-<-
~
:-
~
>
>
,.,.
IC 4 0 1
IH>
V. DEF OUT
aj V,OEF YORK
CIRCUIT
Ill
T
V-CENT
CONTROL
ABL
V R4 0 1
,,
IC402
SETUP/HE~GHT
SW
-
VR402 ;I/
.
NIN H.(IGHT
+12V~
OVERLOAD
LEO DRIVE
OPERATE/SET
UP
!
OVERLOAD
+ 1 2 V
r1''L Q.!JL Jli)~IL _ i __
- - -
I IC I
I
H, V
REG
-
X-R11y PROTECT
I
CIRCUIT
-a,
I
I
I
I
TR I
I
H. V OUT
I
I
I
I
SNUBBER
I
CIRCUIT
ABL SI: NC E
I
CIRCUIT
I
RECTIFIER
+12V
1
0 s '11
lC502
INTEGRATOR
AMP
I
•90 SERIES
ONLY
---j-----7
T R2, 3. I
I
DYNAMIC FOCUS
f--
OUT
I
I
I
I
:_
FLYBACK
I
TRANSFORMER
Tl
I
Eb (25KV)
~
I
STATIC F
,,
'
I
DI NAM IC
I
..
]
SCREEN
,,
I
I
I
< 'J'
I
V RI
PROTP
XRAY
I
7 7
I
I
'fl
I
VR2
HV
ADJ/
I
Z7
I
I
I
I
OCUS
FOCUS
L ____
------------------
.J
- 33
DEF BOARD/HV OUT BOARD
Block Diagram
C21-905331
A
B
C
D
E
F

Related product manuals