EasyManua.ls Logo

iLO DTV2794 - Power Schematic Diagram

iLO DTV2794
22 pages
Print Icon
To Next Page IconTo Next Page
To Next Page IconTo Next Page
To Previous Page IconTo Previous Page
To Previous Page IconTo Previous Page
Loading...
ABC D E F GH
ABC D E F GH
2
1
3
4
5
6
7
8
2
1
3
4
5
6
7
8
HS501
763WAAA074
BLACK
WHITE
BLADE
WIDE
CD501
07415919
AC120V_60Hz
T501 81350994
1
10
11
12
13
14
15
16
2
3
5
6
7
89
S
D
G
Q502
STF10NK50Z
SWITCHING
N’UTILISER QUE DES FUSIBLE DE MEME TYPE
CAUTION
REPLACE ONLY WITH THE SAME TYPE FUSE
:FOR CONTINUED PROTECTION AGAINST FIRE HAZARD,
:POUR UNE PROTECTION CONTINUE LES RISQUES D’INCEIE
ATTENTION
CP508
003P-2100
1
CP507
003P-2100
1
CP509
003P-2100
1
CP501
003P-2100
1
TH501
ZPB45BL3R0A
IC504
PS2561AL1-1-V(W)
FEED BACK
1
2
34
F501
6.3A125V
6.3A125Vor51MS063L
FH502
EYF-52BCY
FH501
EYF-52BCY
RY501
ALKS321_M60
12
3
4
L501
2R0A902F28YNP
COIL,LINE FILTER
12
34
IS THE LIVE CONNECTIONCAUTION:
6.3A 125V
6.3A 125V
S502
S501
CP502
A1561WV2-2P
1
2
D527
ENE241D-10A-Q6
D522
DSS-272M
D526
ENE271D-10A
21
L503
T028R27021
DEGAUSS COIL
D508
MTZJ3.9B
D535
MTZJ4.7B
D523
MTZJ18B
D528
MTZJ5.6B
D509
MTZJ15B
D530
MTZJ10B
D532 MTZJ11B
D531
MTZJ33B
D521
MTZJ3.3B
D525
MTZJ5.6B
L502
22uHTSL0808
IS NON POLAR ONE.
THE ALUMI ELECTROLYTIC CAPACITOR MARKED NP
THE RESISTOR MARKED F IS FUSE RESISTOR.NOTE:
R501
17W
VR502
22K
+B ADJ
R522
15
1/2W
R541
0.22 1W
R502
330
2W
R527
0.68
2W
R542
0.18 1W
DANS LA NOMENCLATURE DES PIECES
N’UTILISER QUE CELLS DECRITES
DANGEREUSES AN POINT DE VUE SECURITE
:LES PIECES REPAREES PAR UN ETANT
ATTENTION
:SINCE THESE PARTS MARKED BY
CAUTION
DESCRIBED IN PARTS LIST ONLY
CRITICAL FOR SAFETY,USE ONES
ARE
CAUTION: DIGITAL TRANSISTOR
S826X
Q506
KRC104SRTK
STANDBY
Q510
KRC104SRTK
STANDBY
D519
1SS133
D510
RU-4AM
D506
1N4937-F
D517
1N4937-F
D507
1SS133
D524
1SS133
D504
RM11C-EIC
D501
RM11C-EIC
D502
RM11C-EIC
D514
1SS133
D529
SR290-F
D505
SR290-F
D533
1SS133
D520
1SS133
D512
SR290-F
D515
1SS133
D516
1SS133
D539
1SS133
D511
1N4937-F
D503
RM11C-EIC
D513
1SS133
Q503
2SA1371
+B SW.
Q508
KTA1271_Y
P.CON+12V SW.
Q512
2SA1624
CURRENT DET.
C521
220200V
YXF
C507_2
820
200V
UQ
C514
680
16V
FM
C504
22
50V
YK
C509
4725V YK
C527
220016V YK
B501_1
W4BRH3.5X6X1.0X2
B504
W5RH3.5X5X1.0
Q514
KTC3203_Y
SWITCHING
Q505
2SC2909
STAND BY SW.
Q504
KTC3198
RELAY DRIVE
Q507
KTC3198
FEED BACK
SWITCHING
Q509
KTC3198
STAND BY SW.
Q501
KTC3203_Y
9V REG
C501_1
2200
16V
MHE
C515
1025V
KA
C522
10016V YK
C539
10
50V
YK
W855
W826 W849
W848
W853
W856
W836
C517
0.00272KV
R
C511
220P CH
C549
0.047
B
C535
0.00222KV
R
C534_1
0.0022
B
C505
0.33275V
ECQUL
C554
0.001 B
C512
0.047100V MMTS
C524
0.0027 B
C520
0.001500V B
C510
0.01
B
C519
0.001
250V
KY
C513
0.001
250V
KY
C506
0.22275V ECQUL
C541
0.056
B
C508
0.0022
250V
KY
C503
0.001
2KV
R
C502
0.001
2KV
R
C518
220P B
C516
0.001 B
R536
47K 1/4W
R509
4.7K
R508
100 1/4W
R543
1K 1/2W
R521
10 1/4W
R529
1K 1/4W
R549
47K
1/4W
R548
100
R506
6.8K 1/4W
R520
1.5M
1/2W
R553
39K
1/2W
R552
10K
1/4W
R530
2.2K
1/4W
R500
2.7M
1/2W
+-10%
R545
150 1/4W
R554
82K 1/2W
R505
10K
1/4W
R507
82K1/2W
R532
1.5K
R510
100
1/4W
R533
270
R504
330 1/4W
R512
1K 1/4W
R511
22K
R546
100 1/4W
R515
4.7K1/4W
R524
1K
1/4W
R544
270 1/4W
R513
10K 1/4W
R516
10K
R539
1.2M
1/2W
R540
1.2M 1/2W
R528
100 1/4W
R537
100K 1/4W
R503
22K
1/4W
R535
3.9K 1/4W
R525
68K1/2W
R526
68K1/2W
R519
10K 1/4W
R518
10K
R547
1K 1/4W
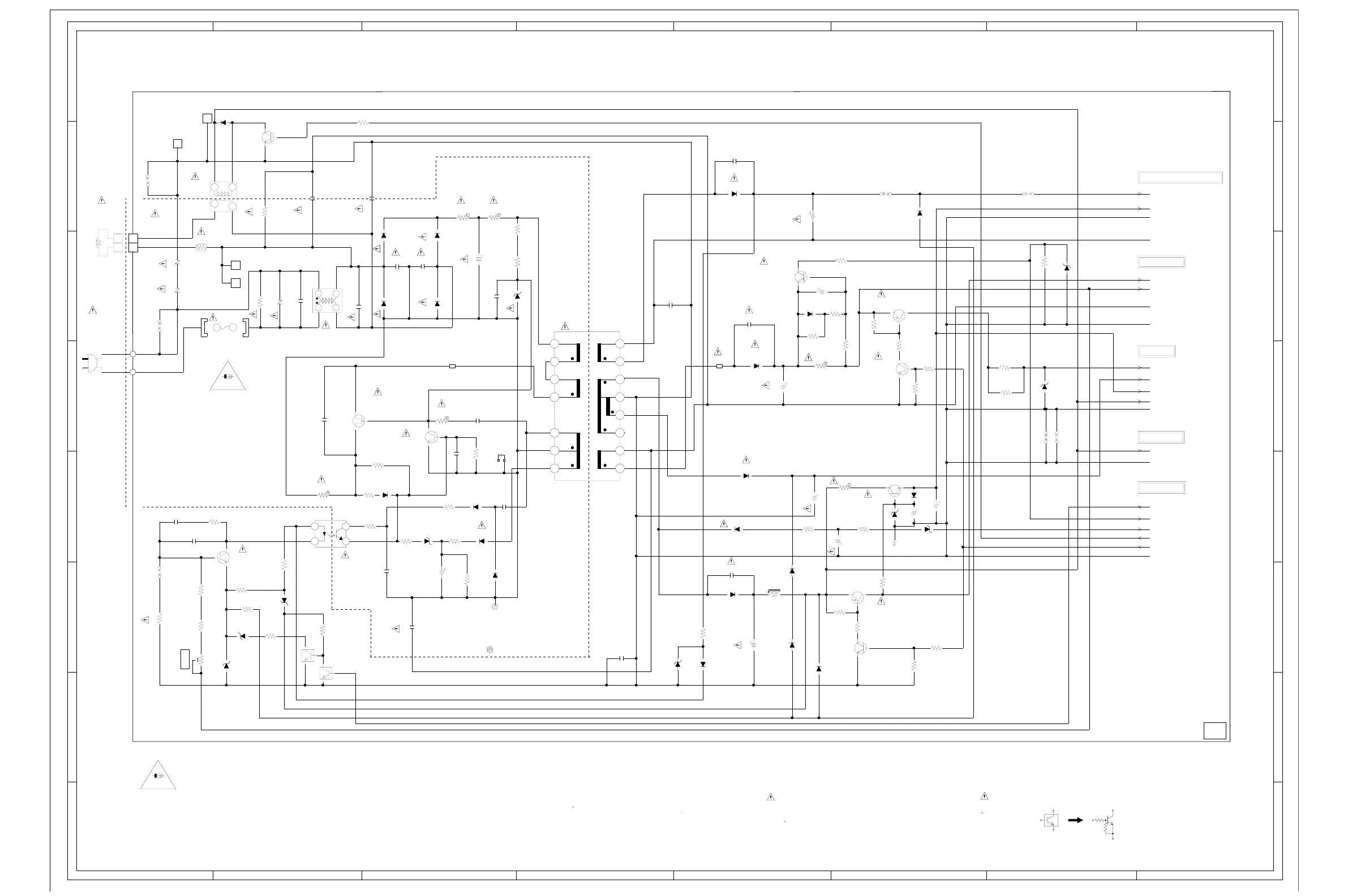
WAS RECEIVED IN GOOD CONDITION AND PICTURE IS NORMAL.
WITH THE DIGITAL TESTER WHEN THE COLOR BROADCAST
NOTE:THE DC VOLTAGE AT EACH PART WAS MEASURED
OF PRINTING AND SUBJECT TO CHANGE WITHOUT NOTICE
NOTE:THIS SCHEMATIC DIAGRAM IS THE LATEST AT THE TIME
SOUND+B
P.CON+9V
GND
SOUND_GND
H+B
+B
+B_GND
GND
TUNER+30V
UN_REG.6V
P.CON+9V
UN_REG.12V
GND
UN_REG.12V
GND
STAND_BY_L
EO_LEAK
P.FAIL
DEGAUSS_H
TV_POWER_H
GND
GND1
6.3A 125V(F501)
6.3A 125V(F501)
:F502 AND F503 ARE MANUFACTURED BY SKYGETE CO.,LTD TYPE 20N
CAUTION
NC
BLACK
WHITE
0
0
0
114.7
115.5
115.2
115.1
5.7
6.3
9.7
10.9
0
5.3
1.5
10.7
9.7
1.5
16.3
5.3
159.4
0
0.8
0.7
0
12.8
141.6
0
40.0
159.4
138.9
0
0
0
+B
+12V
GND
+5V
+3.5V
+B GND
P2
P1
SOUND+B
SOUND GND
PCB070
3.8
0
3.8
3.8
0
0
0
CMF094
12.0
9.6
10.2
TO AV SW/SOUND AMP/TONE CTL
TO DEFLECTION
TO TUNER
TO CHROMA/IF
FROM/TO MICON
38
115.4
115.7
12.912.9
POWER SCHEMATIC DIAGRAM
(TV MT PCB)
G-8
G-7

Related product manuals