EasyManua.ls Logo

iLO DTV2794 - Page 22

iLO DTV2794
22 pages
Print Icon
To Previous Page IconTo Previous Page
To Previous Page IconTo Previous Page
Loading...
ABC D E F GH
ABC D E F GH
2
1
3
4
5
6
7
8
2
1
3
4
5
6
7
8
IC2406
CS4345-CZZ
AUDIO_DAC IC
1
10
2345
6789
JG2436
JG2437
JG2438
JG2439
NR2409
4D02WGJ0150TCE
U9
U10
U11
T9
U1
P3
U4
T2
T1
T3
R2
R3
R1
T4
U2
U3
T17
U16
T16
R16
U15
T15
R15
U17
U14
T14
R14
R17
IC2401 ZR39740HGCF-B0
DTV_ASIC
U8
CP2403
IMSA-6029B-1-28Z136-PT1
1
10
11
12
13
14
15
16
17
18
19
2
20
21
22
23
24
25
26
27
28
3
4
5
6
7
8
9
B2421
FCM1608KF-102T02
B2419
HCB3216KF-601T20
B2418
HCB3216KF-301T25
B2417
HCB3216KF-601T20
B2413
FCM1608KF-102T02
B2410
FCM1608KF-102T02
B2414
FCM1608KF-102T02
B2415
FCM1608KF-102T02
B2408
FCM1608KF-102T02
B2409
FCM1608KF-102T02
B2406
FCM1608KF-102T02
B2407
FCM1608KF-102T02
IC2420
NJM4580V(TE1)
OPE AMP IC
1234
5678
C2565
10016V TZV
C2517
10 C
C2518
10
C
C2521
10
C
C2522
10 C
C2527 33P CH
C2526 33P CH
C2525 33P CH
C2524 33P CH
C2520
10 C
C2519
0.1 B
C2572
0.1 B
C2567
2.2 B
C2568
10 C
C2571
10 C
C2516
100P CH
C2566
100P CH
C2570
0.0027
B
C2569
0.0027
B
C2515
2.2 B
C2497
0.001 B
C2496
0.001 B
C2495
0.001 B
C2511
0.001 B
C2510
0.001 B
C2509
0.001 B
C2494
10 C
C2493
10 C
C2492
10 C
C2514
10 C
C2513
10 C
C2488
47P
CH
C2505
47P CH
C2485
47P CH
C2502
47P CH
C2489
47P
CH
C2506
47P
CH
C2490
0.001
B
C2507
0.001
B
C2483
0.001 B
C2500
0.001 B
C2484
47P CH
C2501
47P CH
C2561
47P CH
C2560
47P CH
C2556
47P CH
C2557
47P CH
C2481
0.001 B
C2498
0.001 B
C2499
0.001 B
C2482
0.001 B
C2512
10 C
R2475
75 +-1%
R2476
75 +-1%
R2453_1
75
R2457
330 +-1%
R2459
18 +-1%
R2484
22K
R2480
1K
R2478
100K
R2481
100K
R2452
22K
R2489
10K
R2486
10K
R2479
1K
R2487
470
R2488
470
R2485
12K
R2451
12K
R2454
75 +-1%
R2455
75 +-1%
R2456_1
75
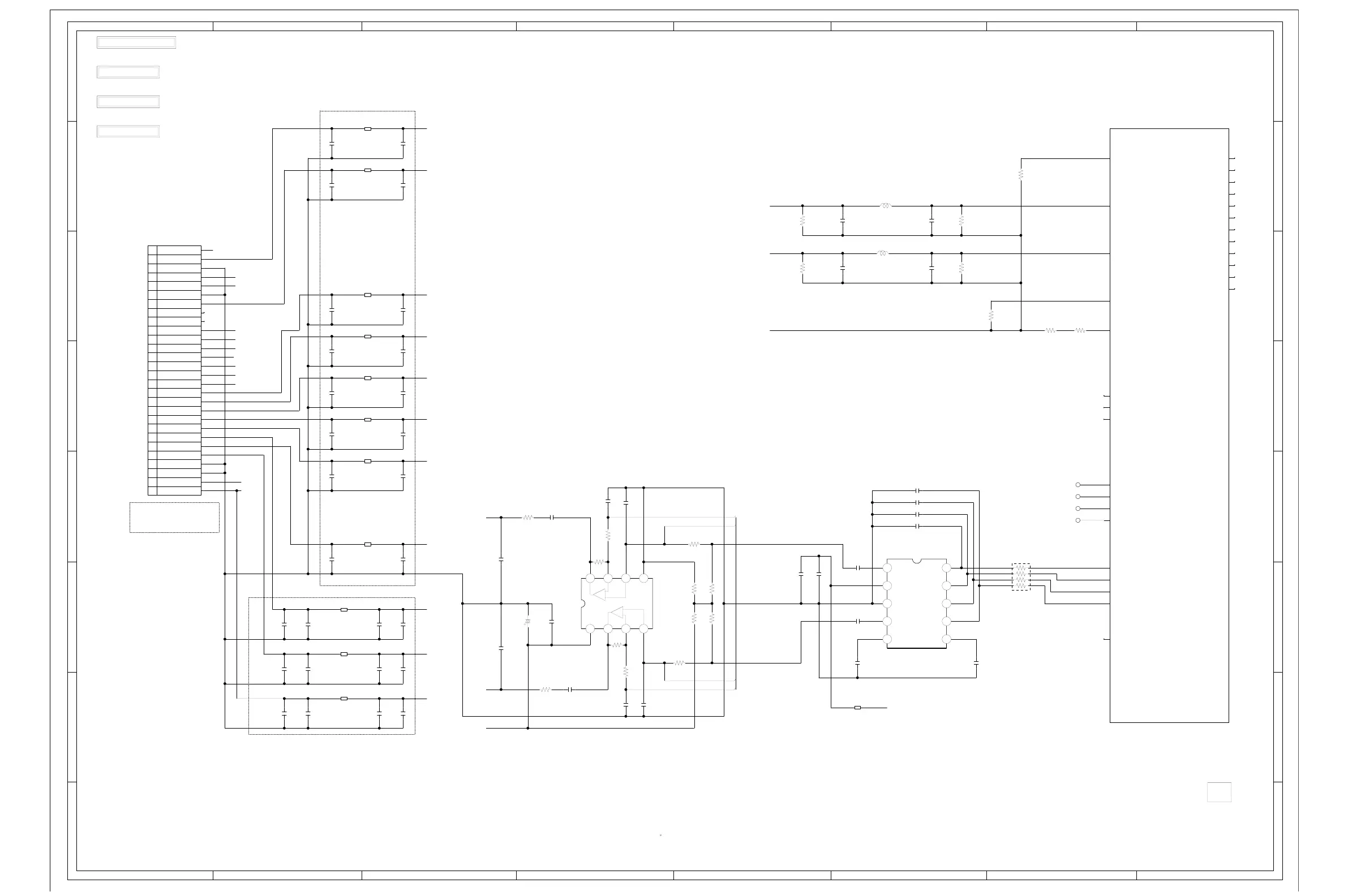
WAS RECEIVED IN GOOD CONDITION AND PICTURE IS NORMAL.
WITH THE DIGITAL TESTER WHEN THE COLOR BROADCAST
NOTE:THE DC VOLTAGE AT EACH PART WAS MEASURED
OF PRINTING AND SUBJECT TO CHANGE WITHOUT NOTICE
NOTE:THIS SCHEMATIC DIAGRAM IS THE LATEST AT THE TIME
L2422_1
0.47uH NLV25
L2421_1
0.47uH
NLV25
SD_H/SEL_SW
IF_AGC
PB_OUT
CVBS_IN/740_INIT
Y_OUT
IF_N
IF_P
RESETN
+9V GND
I2C0C
AUDIO_R
ADUIO_L
SIF/2ND_CVBS
PB_OUT
Y_OUT
I2C0D
PR_OUT
UART1TX_MB
+3.3V
+1.8V
UART1RX_MB
+5V
+2.6V
AUDIO_R
DDXRB
DDXRA
MSG_REQ
GND
3V3_D
1V8_D
DDXLA
ADUIO_L
DDXLB
2V6_D
+5V
GND
+9V
FROM/TO FLASH/GPIO
FROM/TO SDRAM
FROM/TO VIF/SIF
FROM/TO POWER & GROUND
G-24G-23
PCBDH0
CEF242
NC
NC
NC
NC
NC
NC
(DIGITAL PCB)
AV IN/OUT SCHEMATIC DIAGRAM
Spurious filter
VDAC_COMP
VDAC_U
VDAC_Y
VDAC_V
REFSET
IEC958
ADATAI[0]
ADATAI[1]
DDXSA
DDXSB
SDIN
LRCK
VQ
AOUTR
VA
GND
AOUTL
FILT+
ACLK
BCLK
DDXLB
LRCLK
ACLK
BCLK
2
4
6
8
1
3
5
7
DDXRA
DDXRB
DDXLA
+
-
VCC
A_GND
-
+
Place circuit near connector
Spurious filter
PIXOUT7
PIXOUT6
PIXOUT5
PIXOUT4
PIXOUT3
PIXOUT2
PIXOUT1
PIXOUT0
PIXEN
VSYNC
HSYNC
PIXCLK
NC
NC
NC
NC
NC
NC
NC
NC
NC
NC
NC
NC
(6/6 AV I/O)
Place circuit near CP2403
Please refer the pin assignment
CP2403 Pin assignment:
table on page 6.
3V3_D
TX(DM_MAIN)
I2C_CLK
DTV_RESET
Y OUT
IF_N
IF_P
IF_AGC
SPDIF
+9V
AUDIO_R
AUDIO_L
Pb OUT
Pr OUT
I2C_DATA
RX(DM_MAIN)
CVBS_IN/740_INIT
AFT0/MSG_REQ
SD_H/SEL_SW
AFT1
SIF/2ND_CVBS
GND
GND
5V_D
2V6_D
1V8_D
GND
GND

Related product manuals