EasyManua.ls Logo

iLO IWF2706 - Page 15

Default Icon
60 pages
Print Icon
To Next Page IconTo Next Page
To Next Page IconTo Next Page
To Previous Page IconTo Previous Page
To Previous Page IconTo Previous Page
Loading...
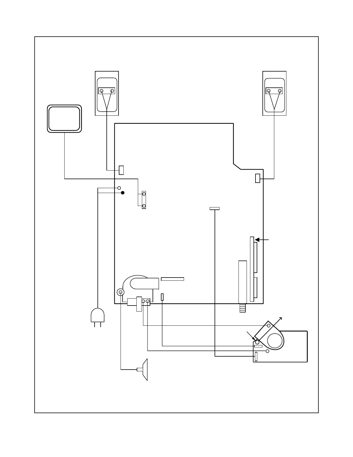
4-3 L4805DC
TV Cable Wiring Diagram
MAIN CBA
CLN802
CN802
CN691
T571
FLYBACK
TRANSFORMER
ANODE CAP
SCREEN
FOCUS
WH501A
CN571
CN902
DIGITAL CBA UNIT
CN901
JK1501
WH501B
CN1501
WH301B
CN801
CLN801
SP801
WH301A
TU11
TUNER
AC601
AC CORD
SP802
DG691
DEGAUSSING COIL
Fig. D5
CRT CBA
TO CRT GROUND

Related product manuals