EasyManua.ls Logo

iLO IWF2706 - Page 36

Default Icon
60 pages
Print Icon
To Next Page IconTo Next Page
To Next Page IconTo Next Page
To Previous Page IconTo Previous Page
To Previous Page IconTo Previous Page
Loading...
8-5
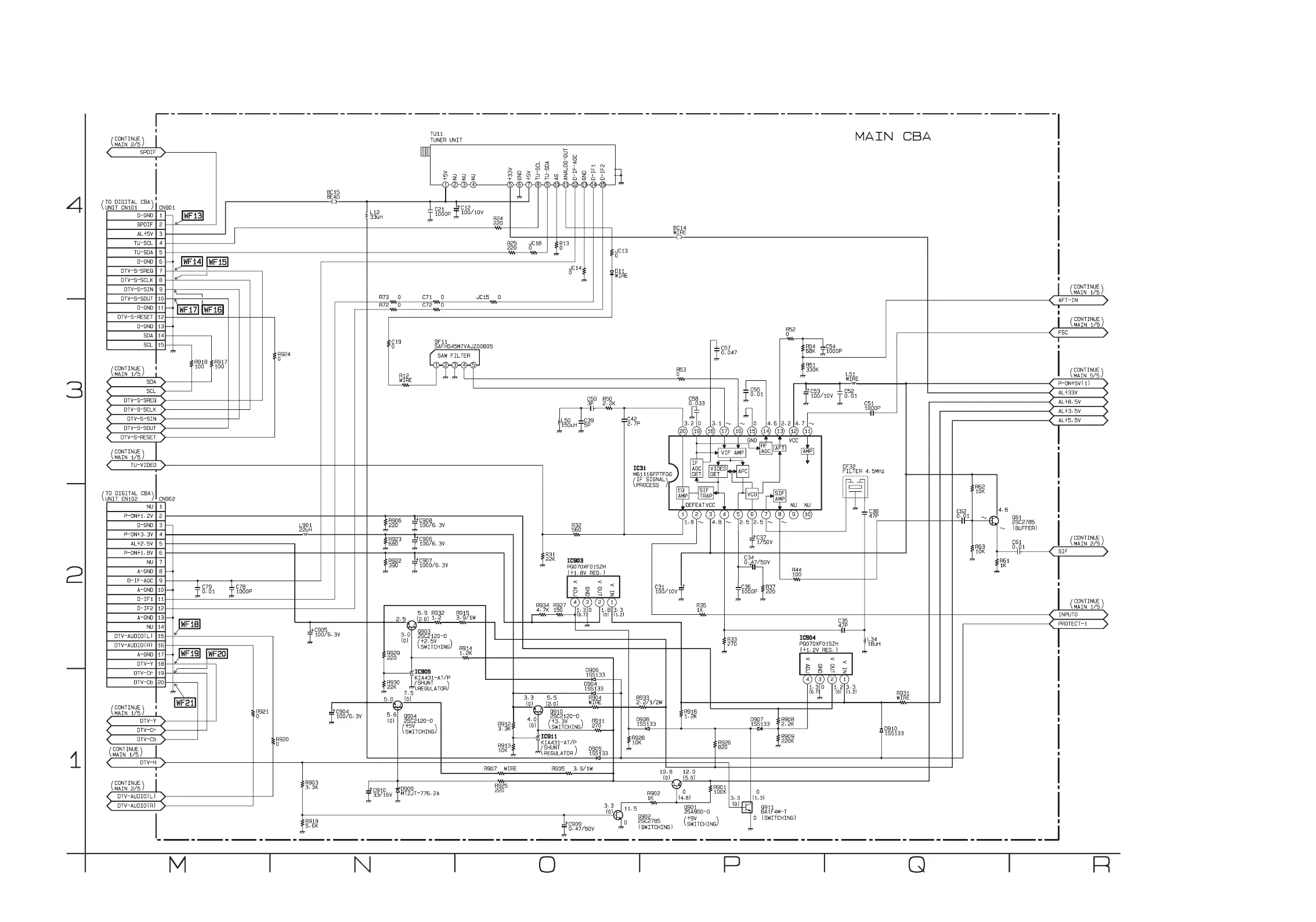
Main 3/5 Schematic Diagram
L4803SCM3

Related product manuals