EasyManua.ls Logo

iLO IWF2706 - Page 39

Default Icon
60 pages
Print Icon
To Next Page IconTo Next Page
To Next Page IconTo Next Page
To Previous Page IconTo Previous Page
To Previous Page IconTo Previous Page
Loading...
8-8
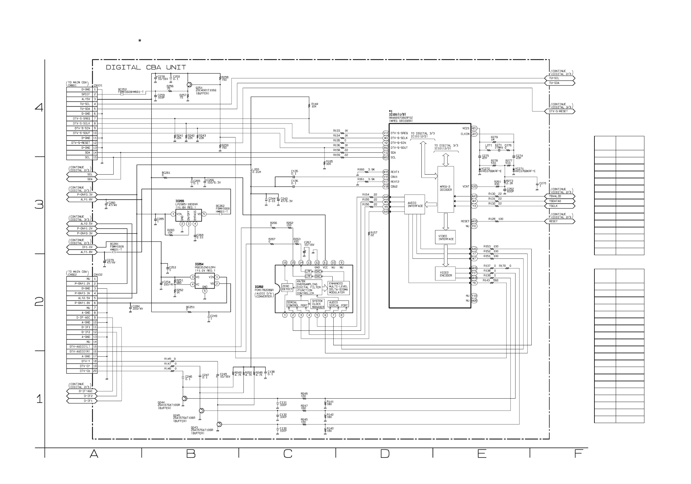
Digital 1/3 Schematic Diagram
L4803SCD1
1 NOTE:
1. The order of pins shown in this diagram is different from that of actual IC101.
2. IC101 is divided into two and shown as IC101 (1/2) ~ IC101 (2/2) in this Digital Schematic Diagram Section.
CN101
10
21.5
35.0
43.4
53.4
60
72.7
83.2
91.6
10 0.2
11 0
12 3.3
13 0
14 3.2
15 3.2
CN102
10
21.2
30
43.3
52.5
61.9
70
80
93.2
10 0
11 0
12 0
13 0
14 3.3
15 2.4
16 2.4
17 0
18 1.0
19 0
20 0
VOLTAGE CHART
Pin No. Voltage
Pin No. Voltage

Related product manuals