EasyManua.ls Logo

Image IMTL715040 - Page 29

Image IMTL715040
30 pages
Print Icon
To Next Page IconTo Next Page
To Next Page IconTo Next Page
To Previous Page IconTo Previous Page
To Previous Page IconTo Previous Page
Loading...
80
26
63
23
81
40
40
29
79
40
70
64
40
40
40
40
40
76
40
40
40
51
40
40
40
40
40
40
40
40
40
40
40
40
40
75
61
93
82
43
95
97
96
106
107
92
71
101
72
67
99
83
99
83
69
94
85
77
78
98
43
104
104
73
13
77
78
73
13
98
43
86
13
91
110
88
111
13
137
137
13
40
40
88
65
69
94
69
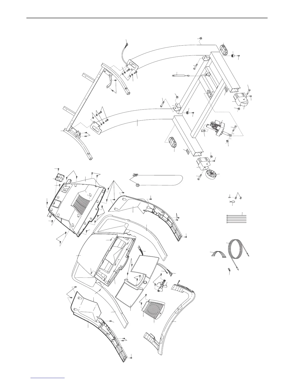
EXPLODED DRAWING—Model No. IMTL715040 R0604A

Related product manuals