EasyManua.ls Logo

IMC MISTRAL M60 - M135 Wiring Diagram

IMC MISTRAL M60
35 pages
Print Icon
To Next Page IconTo Next Page
To Next Page IconTo Next Page
To Previous Page IconTo Previous Page
To Previous Page IconTo Previous Page
Loading...
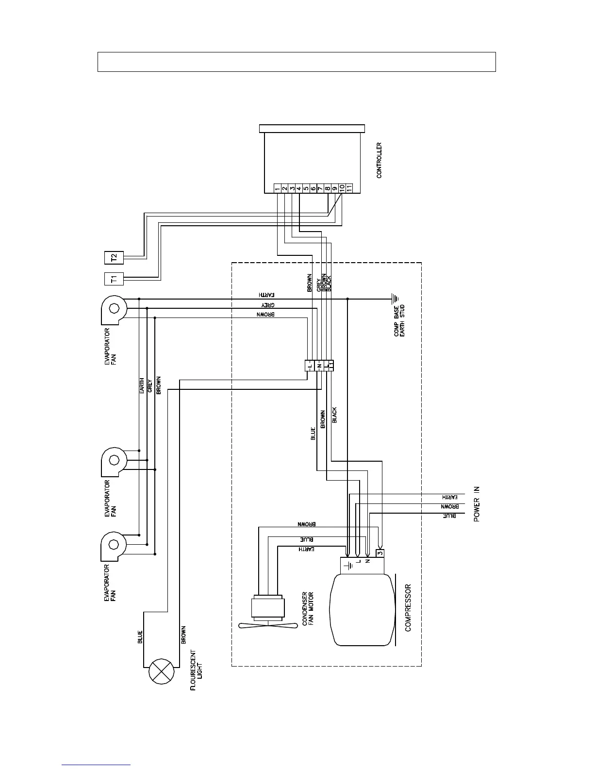
22 MISTRAL M60, M90, M135 AND TC60
M135 WIRING DIAGRAM

Other manuals for IMC MISTRAL M60

Related product manuals