EasyManua.ls Logo

Impecca Flex Series - Electrical Connections; Outdoor Unit Wiring Guide

Impecca Flex Series
60 pages
Print Icon
To Next Page IconTo Next Page
To Next Page IconTo Next Page
To Previous Page IconTo Previous Page
To Previous Page IconTo Previous Page
Loading...
2
.
3.
4.
5.
1.
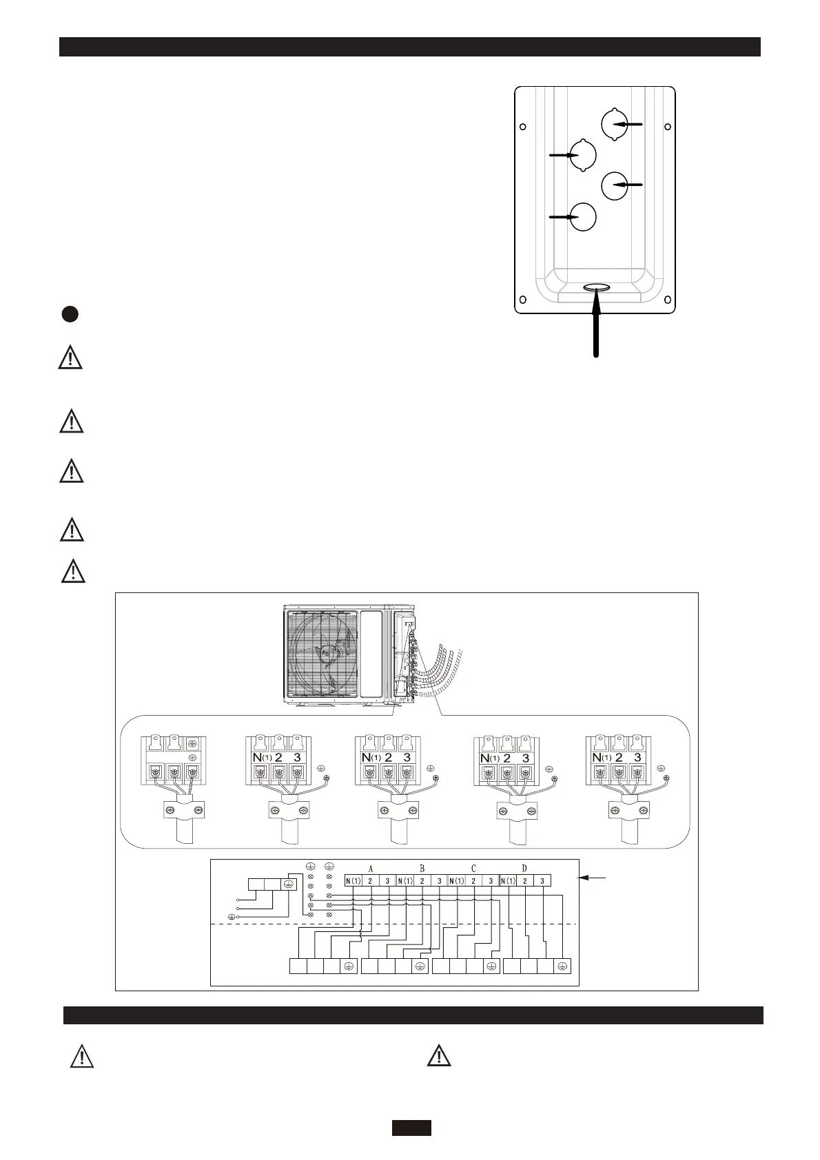
Remove the handle at the right side plate of the
outdoor unit (ten screw).
Fix power connection wire by wire clamp.
Ensure wire has been fixed well.
Install the handle.
INSTALLER
4
Wrong wire connection may cause malfunction of some
electric components.After fixing cable, ensure that
An all-pole disconnection switch having a contact
separation of at least 3mm in all pole should be
connected in fixed wiring.
leads between connection to fixed point have some space.
The connection pipes and the connectiong wirings of
the unit A ,unit B,unit C and unit D must be corresponding
to each other respective.
The appliance shall be installed in accordance with
national wiring regulations.
Do not install the outdoor unit where it is exposed
to the sunlight.
HANDLING
USER
ELECTRICAL CONNECTIONS
Power
cable
A
B
C
D
connection cable
connection cable
connection cable
connection cable
1) The power cable should be put in from the hole under
connection cable cover.
2) If connecting with two indoor units, the connection cable
should be put in from hole A and hole B
3) If connecting with three indoor units, the connection cable
should be put in from hole A , B and C
4) If connecting with four indoor units, the connection cable
should be put in from hole A, B , C and D.
All power cables and connection cables must be
protected with conduits.
To the power supply
To unit B
To unit A
connection
cable
connection
cable
To unit C
connection
cable
To unit D
connection
cable
Outdoor unit
Indoor unit
L1 L2
L1
L1
L2
L2
N(1)
2 3
N(1)
2 3
N(1)
2 3
N(1)
2 3
A B C D
power
cable
After having removed the packaging, check that the
contents are intact and complete.
The outdoor unit must always be kept upright.
Handling must be done by suitably equipped qualified
technical personnel using equipment that is for suitable
the weight of the appliance .
Remove the cable clamp, connect the connection cable
and power cable with the terminal at the row of connection
and fix the connection. The fitting line distributing must be
consistent with the indoor unit terminal of line bank.
Wiring should meet that of indoor unit.

Related product manuals