EasyManua.ls Logo

Impex COMPETITOR CG 1400 - Page 16

Impex COMPETITOR CG 1400
24 pages
Print Icon
To Next Page IconTo Next Page
To Next Page IconTo Next Page
To Previous Page IconTo Previous Page
To Previous Page IconTo Previous Page
Loading...
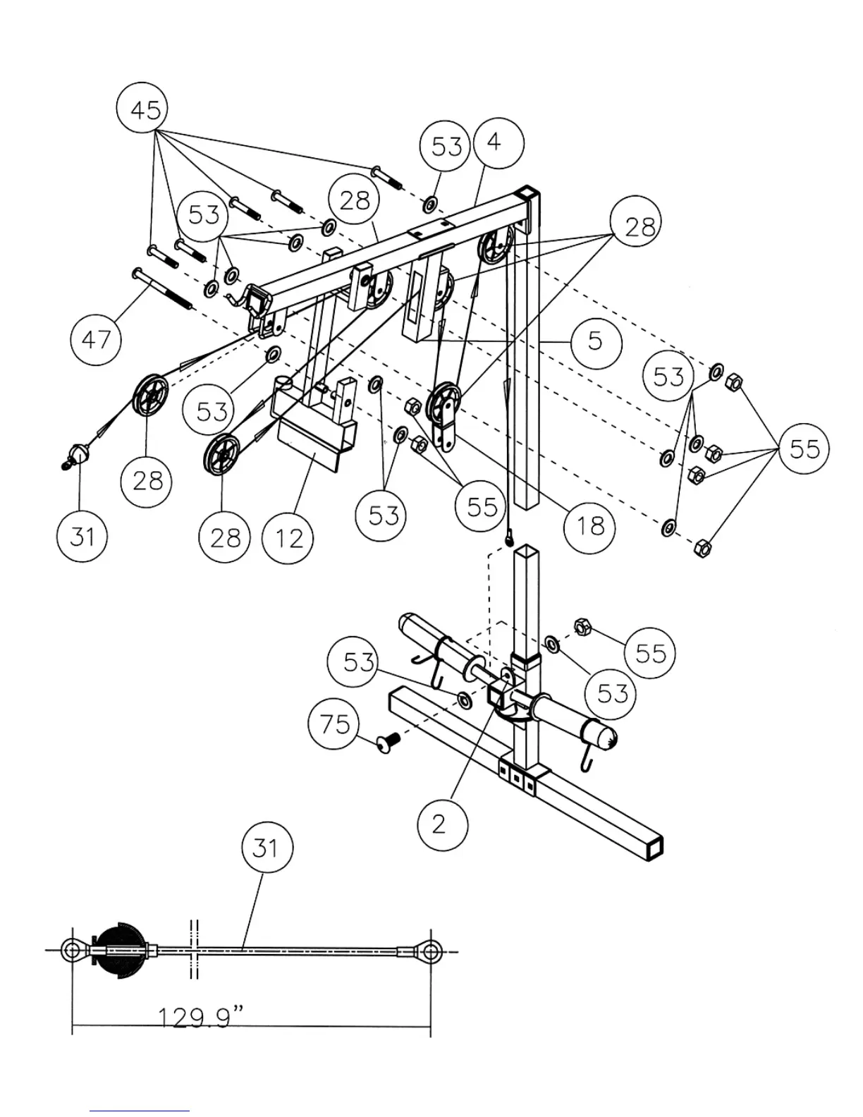
DIAGRAM 8
15

Related product manuals