EasyManua.ls Logo

Inficon PEG100 - Page 9

Inficon PEG100
24 pages
Print Icon
To Next Page IconTo Next Page
To Next Page IconTo Next Page
To Previous Page IconTo Previous Page
To Previous Page IconTo Previous Page
Loading...
tina14e1-a (2017-12) PEG100.om 9
Two examples of how to connect the PEG100 are given in Annex B.
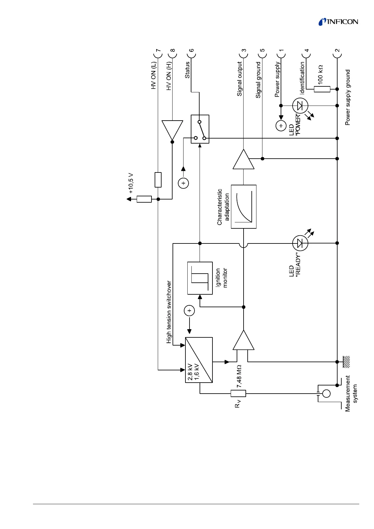
Fig. 3 Block diagram