EasyManua.ls Logo

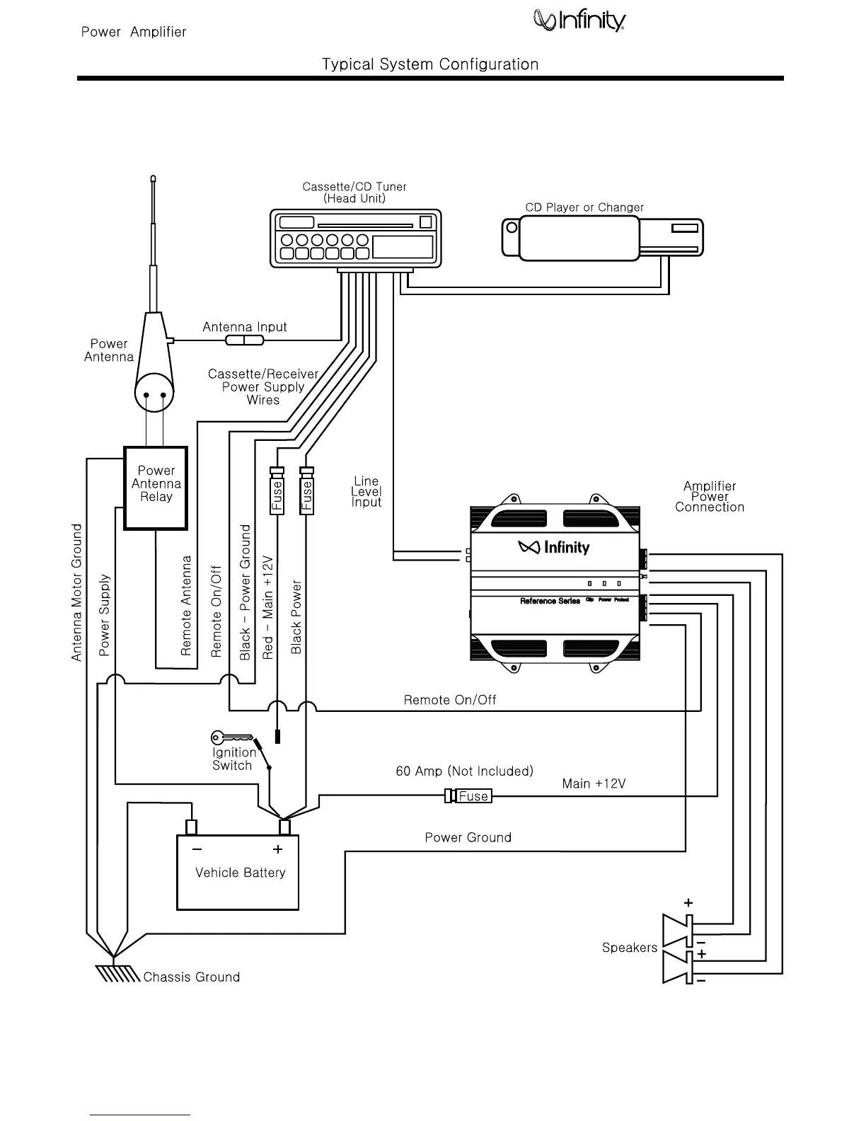
Infinity 311a - Typical System Configuration

Infinity 311a
27 pages
Print Icon
To Next Page IconTo Next Page
To Next Page IconTo Next Page
To Previous Page IconTo Previous Page
To Previous Page IconTo Previous Page
Loading...
8
Reference 310a/311a

Other manuals for Infinity 311a

Related product manuals