EasyManua.ls Logo

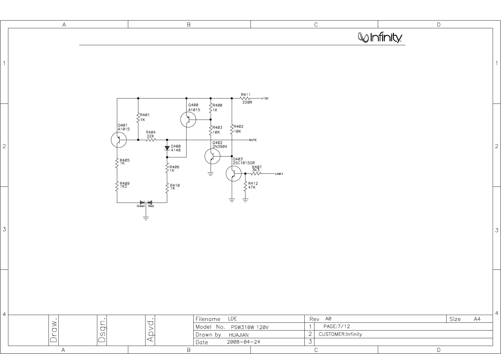
Infinity Classia Series - Mute Circuit Schematic

Infinity Classia Series
58 pages
Print Icon
To Next Page IconTo Next Page
To Next Page IconTo Next Page
To Previous Page IconTo Previous Page
To Previous Page IconTo Previous Page
Loading...
Green Red
D401
LED_5DIA
46
PSW310W subwoofer Classia Series

Related product manuals