EasyManua.ls Logo

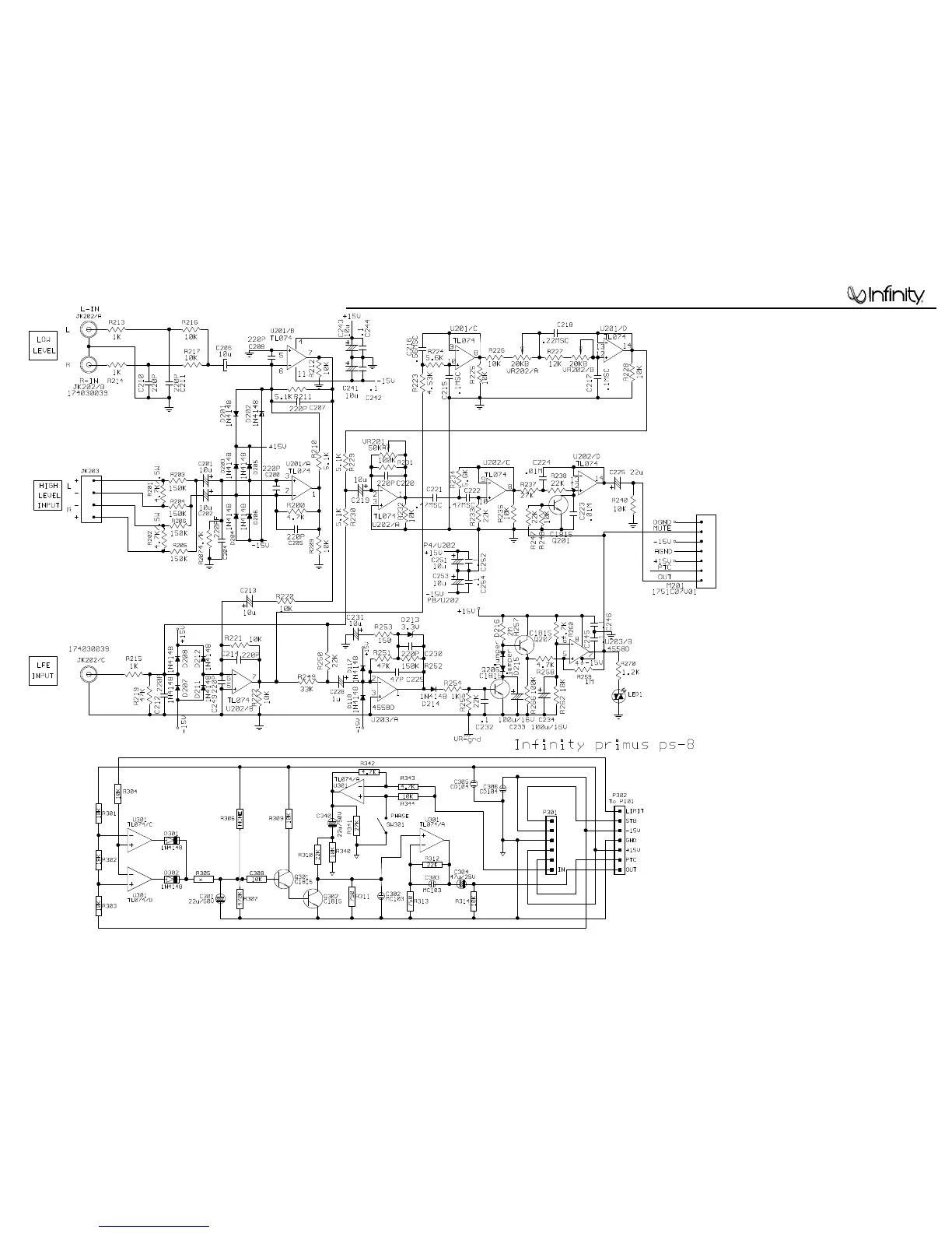
Infinity PS-8 - SCHEMATIC DIAGRAMS (Serial # ME0683-16316 and Below)

Infinity PS-8
26 pages
Print Icon
To Next Page IconTo Next Page
To Next Page IconTo Next Page
To Previous Page IconTo Previous Page
To Previous Page IconTo Previous Page
Loading...
18

Related product manuals