EasyManua.ls Logo

Ingersoll-Rand M801P040AU24AA - Page 8

Ingersoll-Rand M801P040AU24AA
12 pages
Print Icon
To Next Page IconTo Next Page
To Next Page IconTo Next Page
To Previous Page IconTo Previous Page
To Previous Page IconTo Previous Page
Loading...
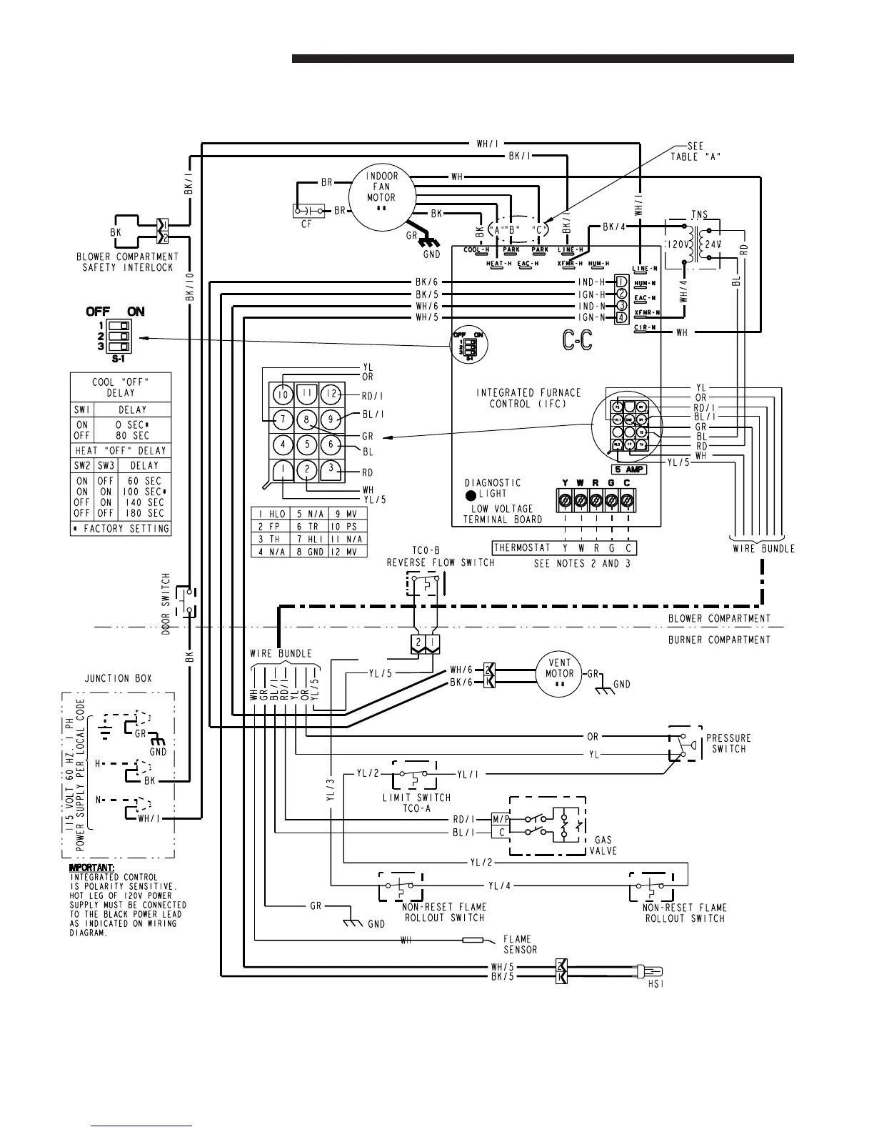
8 M801-SF-1C
Service Facts
(continued on next page)
DOWNFLOW WIRING DIAGRAM
From Dwg. D344495

Related product manuals