EasyManua.ls Logo

Innovate LC-2 - Relay Wiring and Sensor Placement; Single Innovate Device Relay Wiring; Sensor Placement Guidelines

Innovate LC-2
11 pages
Print Icon
To Next Page IconTo Next Page
To Next Page IconTo Next Page
To Previous Page IconTo Previous Page
To Previous Page IconTo Previous Page
Loading...
grounding source as the device to which you are feeding the analog outputs,
the easiest wait to accomplish this is to run an aux ground wire from the
ground point of the LC-2 to the ground or signal ground of the device you are
interfacing with.
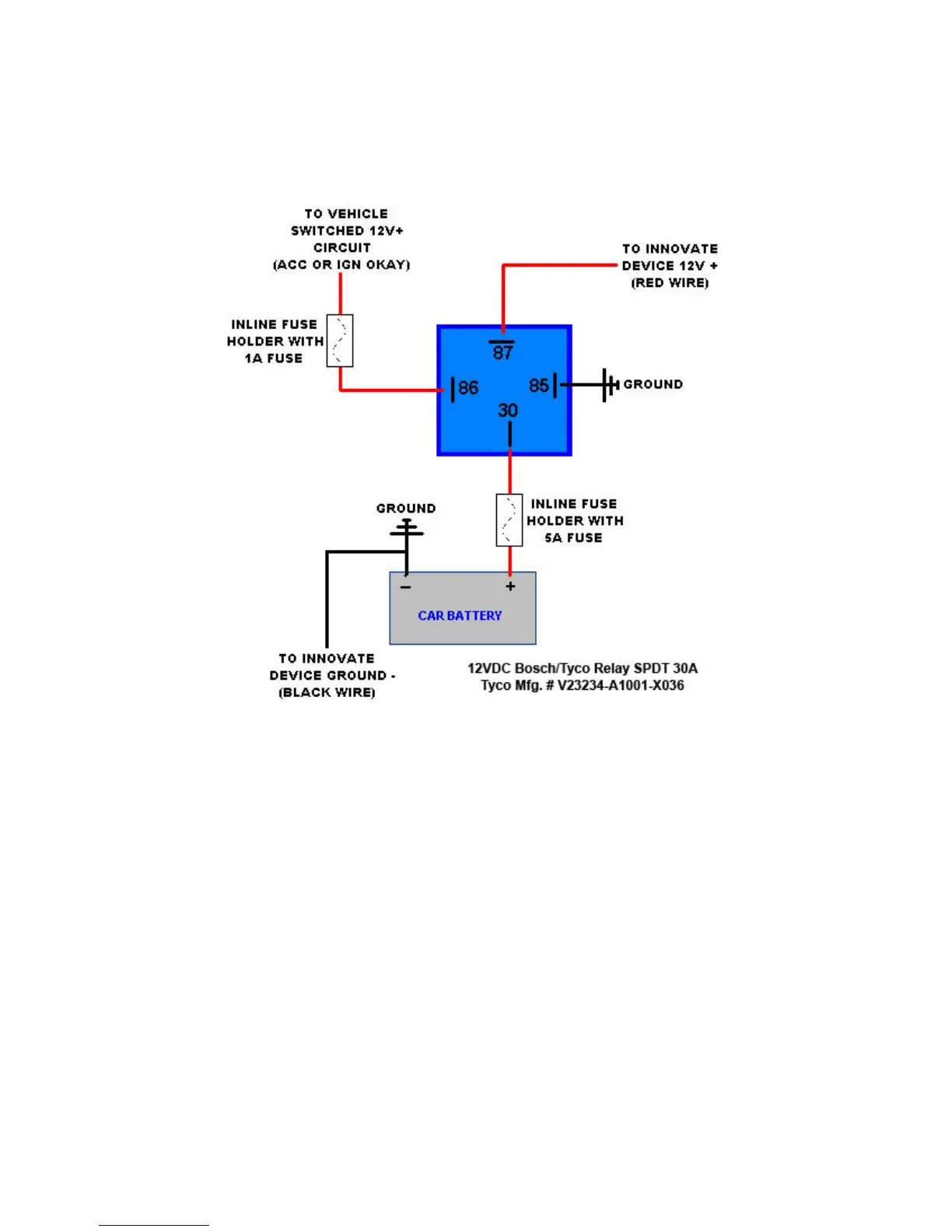
2.2.1 Single Innovate Device Relay Wiring Instructions
3 Sensor Placement
Optimum bung placement will vary from application to application, but using
the guideline below will ensure the longest sensor life with the most accurate
readings. Using a bung is the preferred method for mounting the oxygen
sensor in all applications.
Weld the bung at least 24 inches downstream of the exhaust po
rt outlet
(after the coll
ector), or 24 inches after the turbocharger if so equip
ped.
The bun
g should be welded before the X or H pipe if so equipp
ed.
Using a clock as reference, mount the bung between the 9:00 o’clo
ck
and 3:00 o’clock positio
n. Welding the bung in the lower section of
the
exhau
st pipe can result in sensor damage caused by condensation
making contact with the sensor’s internal heating elem
ent.