EasyManua.ls Logo

Intec FORCE/2 - Page 40

Intec FORCE/2
60 pages
Print Icon
To Next Page IconTo Next Page
To Next Page IconTo Next Page
To Previous Page IconTo Previous Page
To Previous Page IconTo Previous Page
Loading...
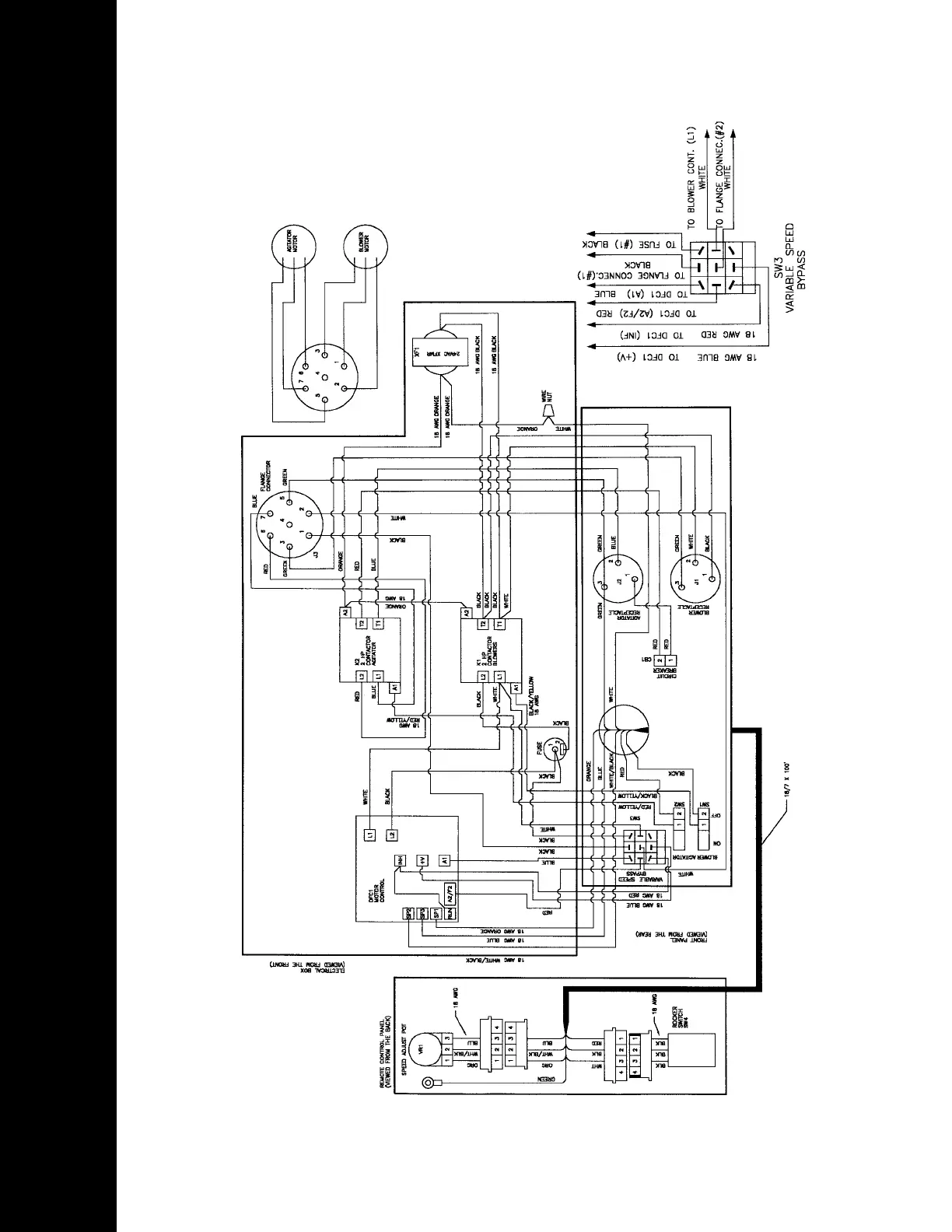
ELECTRICAL DRAWINGS
38
Wiring Diagram
Mfg from 7/89 - 9/02
Electrical with Variable Speed
Control in Remote Cord

Other manuals for Intec FORCE/2