EasyManua.ls Logo

Integra DPS-6.5 - Page 16

Integra DPS-6.5
65 pages
Print Icon
To Next Page IconTo Next Page
To Next Page IconTo Next Page
To Previous Page IconTo Previous Page
To Previous Page IconTo Previous Page
Loading...
DPS-6.5
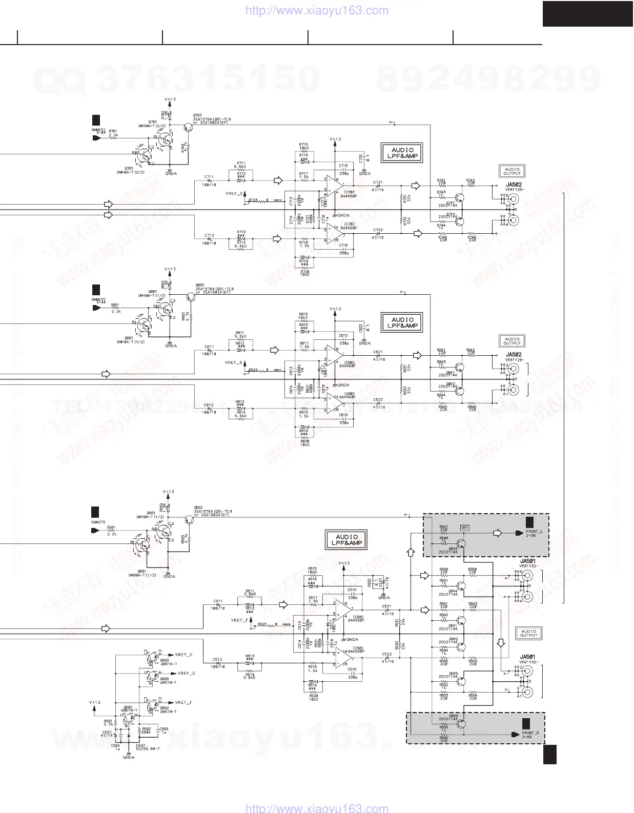
SCHEMATIC DIAGRAMS-5
A
1
2
3
4
5
BCDEFGH
U05 DVD MAIN PC BOARD-3
DB-VPB613
B 3/3
DIGITAL
AUDIO OUT
COAXIAL
OPTICAL
B 3/3 B 3/3
CENTER
L
SURROUND
R
SUB
WOOFER
L
FRONT
R
L
AUDIO
OUT
(2 ch)
AUDIO OUT (5.1 ch)
R
1/3B
1/3
B
1/3
B
1/3
B
1/3
B
1/3
B
2/3
B
2/3
B
SW for Mute Control
SW for Mute Control
Mute SW
Mute SW
Mute
SW
Mute
SW
Mute
SW
Mute
SW
SW for Mute Control
Reference Voltage Gen.
for Audio Amp.
: AUDIO SIGNAL ROUTE (Front L ch)
(FL)
: AUDIO SIGNAL ROUTE (Surround L ch)
(SL)
: AUDIO SIGNAL ROUTE (Center ch)
(C)
: AUDIO SIGNAL ROUTE (Sub Woofer ch)
(SW)
: AUDIO SIGNAL ROUTE (DIGITAL ch)
(D)
: AUDIO DATA SIGNAL ROUTE
(AD)
(D)
(D)
(D)
(D)
(D)
(AD)
(AD)
(AD)
(C)
(SW)
(C)
(SW)
(C)
(C)
(SW)
(SW)
(SL) (SL)
(SL)
(SL)
(FL)
(FL)
(FL) (FL)
(FL)
(FL)
(FL)
(FL)
<MUP> only
<MUP> only
w
w
w
.
x
i
a
o
y
u
1
6
3
.
c
o
m
Q
Q
3
7
6
3
1
5
1
5
0
9
9
2
8
9
4
2
9
8
T
E
L
1
3
9
4
2
2
9
6
5
1
3
9
9
2
8
9
4
2
9
8
0
5
1
5
1
3
6
7
3
Q
Q
TEL 13942296513 QQ 376315150 892498299
TEL 13942296513 QQ 376315150 892498299
http://www.xiaoyu163.com
http://www.xiaoyu163.com