EasyManua.ls Logo

Integra DTR-6 - Schematic Diagrams; Comprehensive Circuit Diagrams

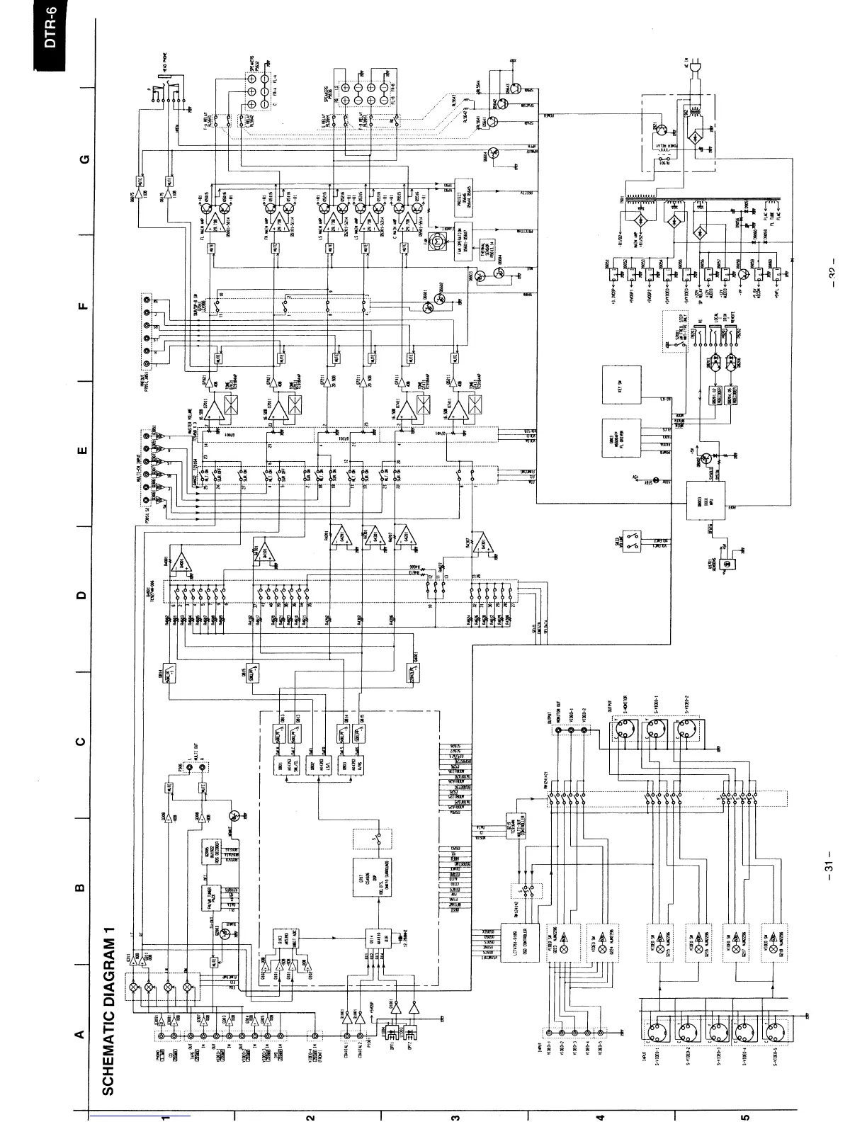
Integra DTR-6
27 pages
Print Icon
To Next Page IconTo Next Page
To Next Page IconTo Next Page
To Previous Page IconTo Previous Page
To Previous Page IconTo Previous Page
Loading...

Related product manuals