EasyManua.ls Logo

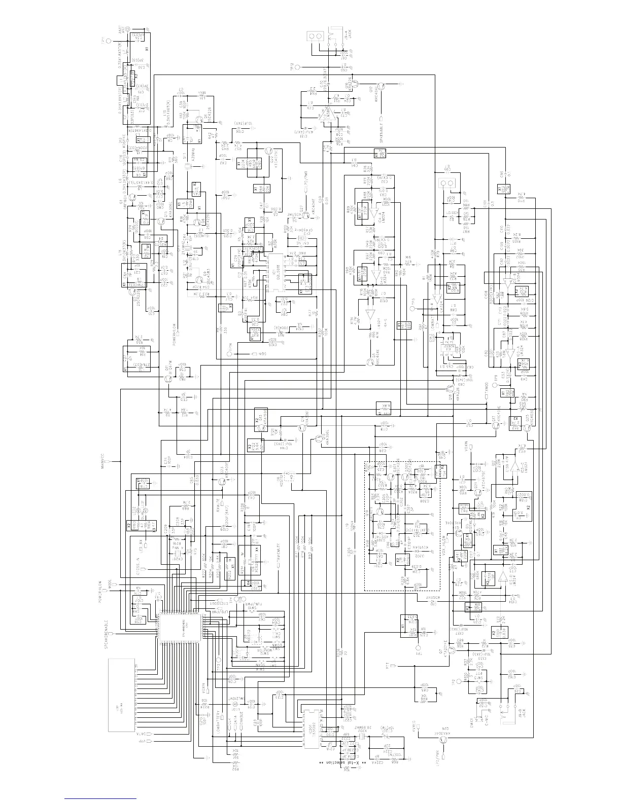
Intek MT-2020 - MT-2020 D SCHEMATIC DIAGRAM

Intek MT-2020
49 pages
Print Icon
To Next Page IconTo Next Page
To Next Page IconTo Next Page
To Previous Page IconTo Previous Page
To Previous Page IconTo Previous Page
Loading...
MT-2020D SCHEMATIC 
DIAGRAM
PAGE 5 OF 49

Related product manuals