EasyManua.ls Logo

Inter-m A-120 - Applications Overview

Inter-m A-120
13 pages
Print Icon
To Next Page IconTo Next Page
To Next Page IconTo Next Page
To Previous Page IconTo Previous Page
To Previous Page IconTo Previous Page
Loading...
A-60/A-120 Public Address Amplifier
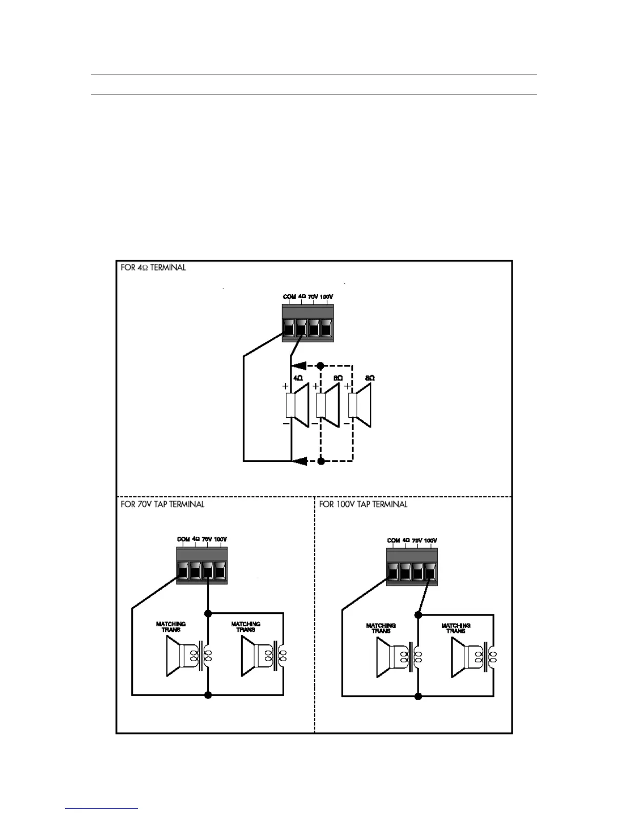
Connecting Speakers
Before connecting speakers to your A-60/120 unit, be sure to disconnect the AC power
cable. Make certain that the total impedance is not less than the rated impedance
indicated.
For 4 speakers, connect in parallel, with the positive (+) connectors to the 4 terminal
and the negative (-) connectors to the COM terminal. See Figure below.
For high-voltage distibuted systems, connect with matching transformer to either 70V or
100V terminals, as per Figures below. Be certain that the total impedance does not equal
less than the rated impedance.
9