EasyManua.ls Logo

Inter-m CD-660 - Advanced CD Player Features; Resume, Fade, and Display Functions

Inter-m CD-660
16 pages
Print Icon
To Next Page IconTo Next Page
To Next Page IconTo Next Page
To Previous Page IconTo Previous Page
To Previous Page IconTo Previous Page
Loading...
26 27
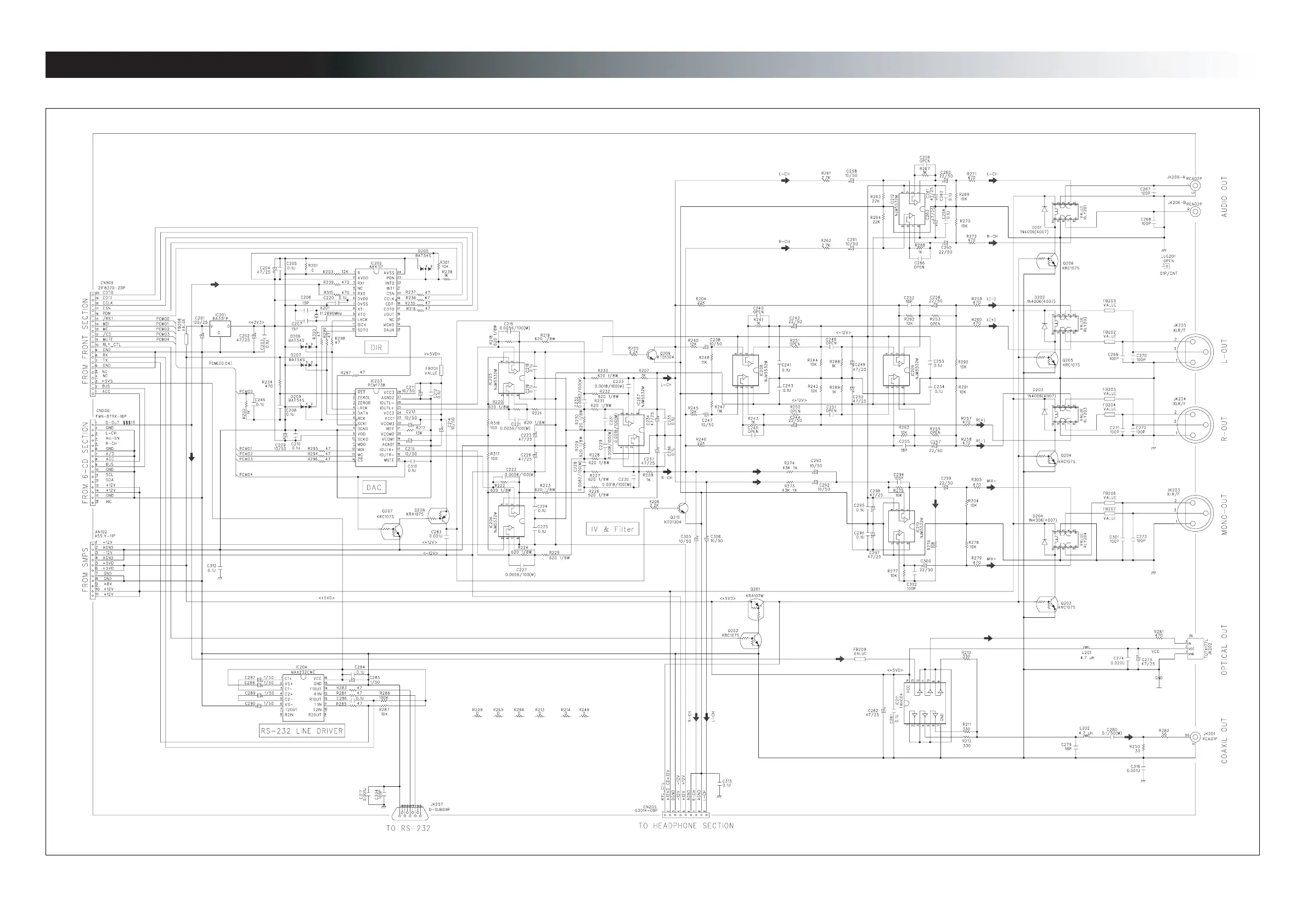
REAR PART

Other manuals for Inter-m CD-660