EasyManua.ls Logo

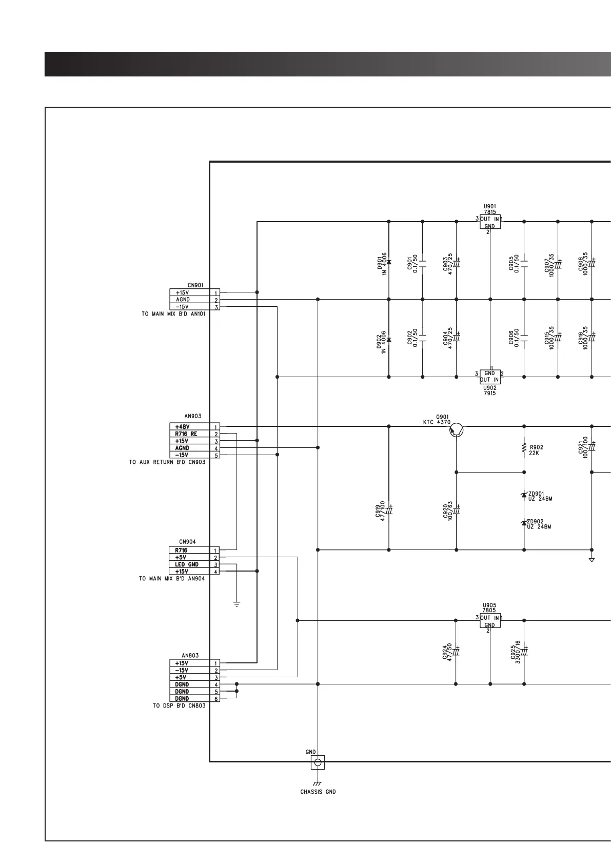
Inter-m MX-1424 - Power Board Connections

Inter-m MX-1424
44 pages
Print Icon
To Next Page IconTo Next Page
To Next Page IconTo Next Page
To Previous Page IconTo Previous Page
To Previous Page IconTo Previous Page
Loading...
3837
MX-1424/1824 S/M 2003.2.27 6:20 PM 페이지41
All manuals and user guides at all-guides.com

Related product manuals