EasyManua.ls Logo

Inter-m PV-6232 - System Block Diagram; Functional Block Diagram

Inter-m PV-6232
20 pages
Print Icon
To Next Page IconTo Next Page
To Next Page IconTo Next Page
To Previous Page IconTo Previous Page
To Previous Page IconTo Previous Page
Loading...
MULTI VOICE FILE
11
PV-6232
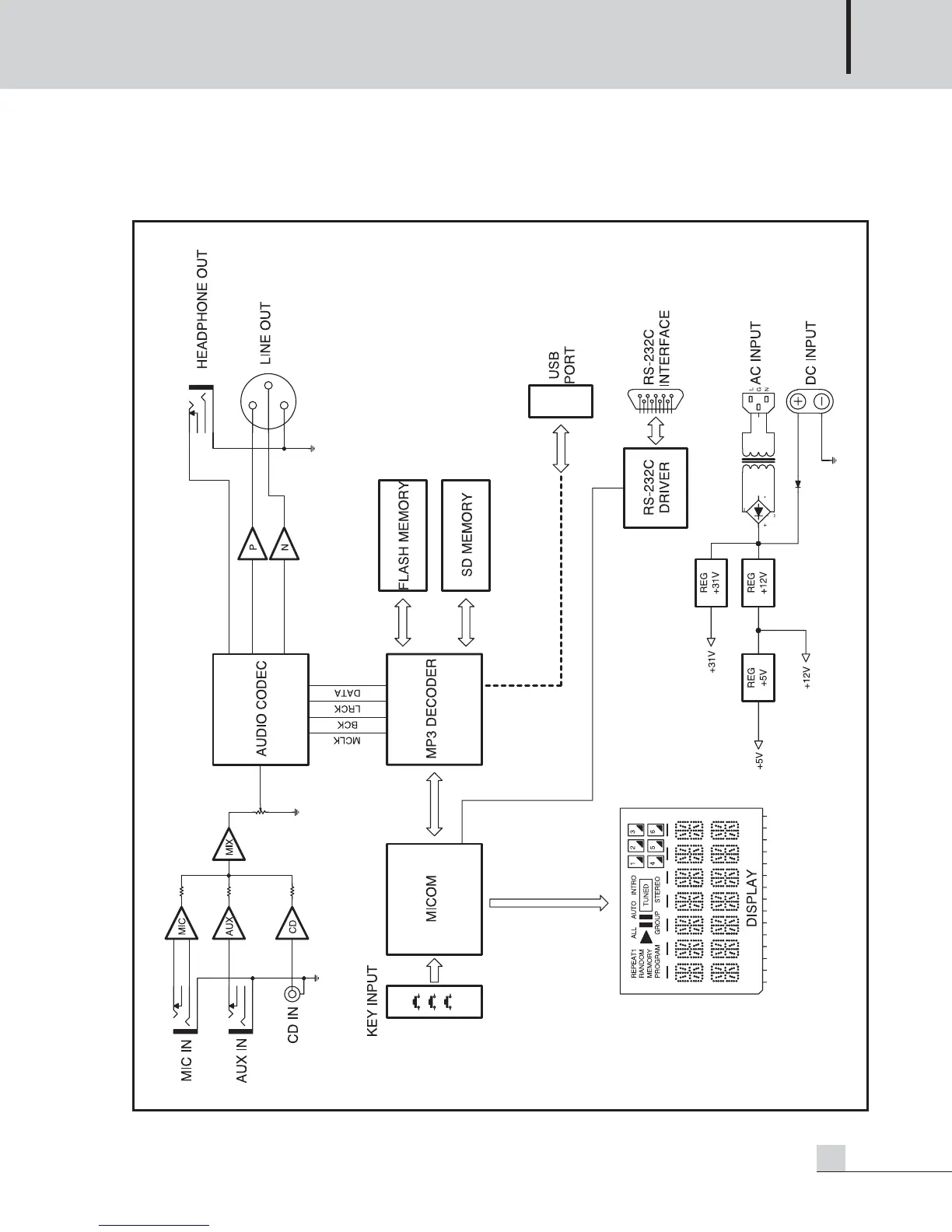
Block Diagram
Block Diagram