EasyManua.ls Logo

Interpump 71 Series - 17 Flushing Circuit Diagram of Use

Interpump 71 Series
21 pages
Print Icon
To Next Page IconTo Next Page
To Next Page IconTo Next Page
To Previous Page IconTo Previous Page
To Previous Page IconTo Previous Page
Loading...
ENGLISH
39
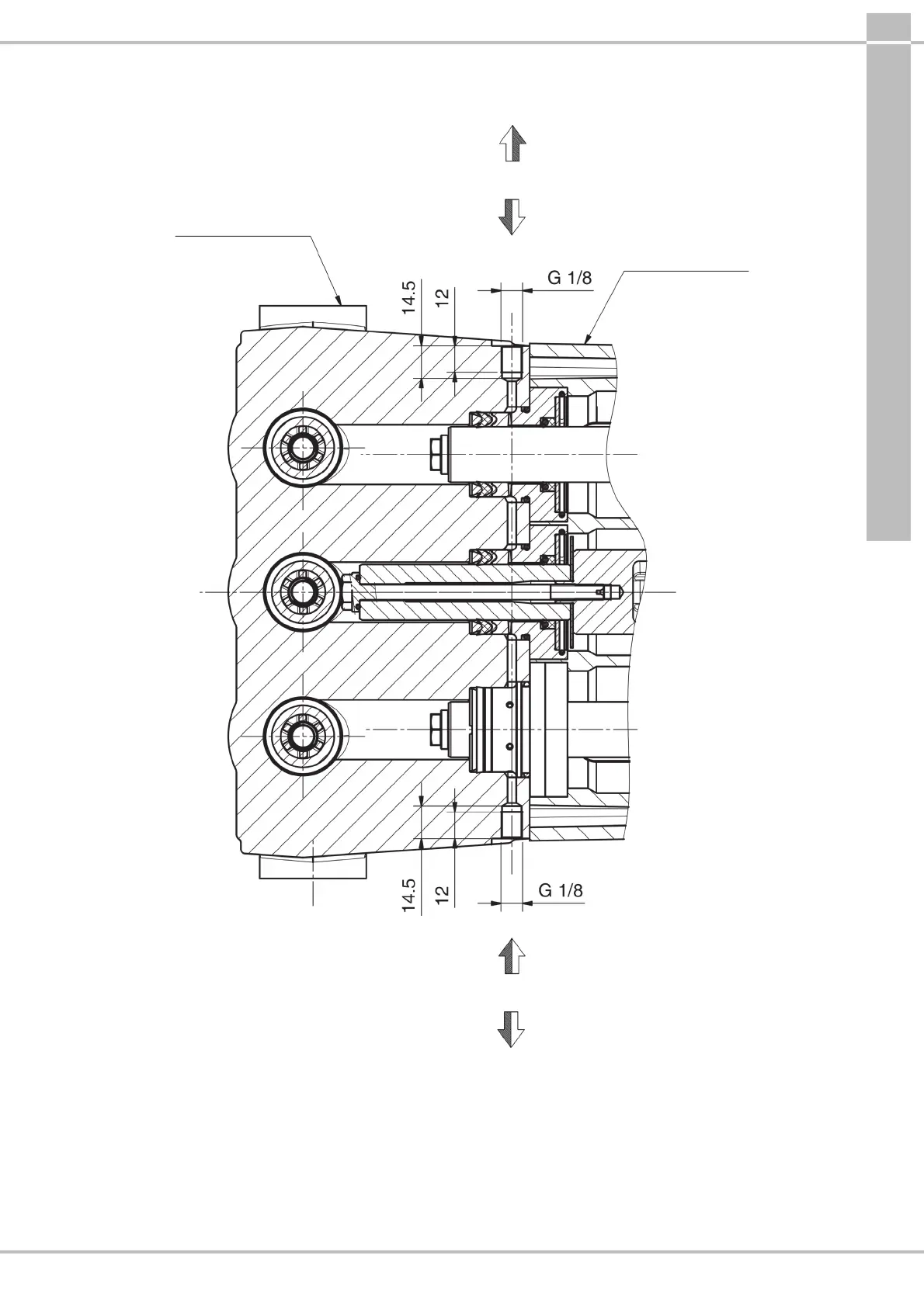
17 FLUSHING CIRCUIT DIAGRAM OF USE
Adhere to the following values for proper system operation:
minimum circuit ow rate 4 l/min, maximum uid pressure 6 bar.
Pump head
Pump casing
Outlet
Inlet
Outlet
Inlet

Related product manuals