EasyManua.ls Logo

Interpump 71 Series - Suction Line; Filtration

Interpump 71 Series
21 pages
Print Icon
To Next Page IconTo Next Page
To Next Page IconTo Next Page
To Previous Page IconTo Previous Page
To Previous Page IconTo Previous Page
Loading...
ENGLISH
28
9.6 Suction line
For a smooth operation of the pump, the suction line should
have the following characteristics:
1. Minimum internal diameter as indicated in the graph in
par.9.9 and in any case equal to or exceeding that of the
pump head.
Localised restrictions should be avoided
along the run of the duct, as these can cause
load losses resulting in cavitation. Avoid 90°
elbow bends, connections with other piping,
constrictions, counterslopes, inverted U- curves and
T-connections.
2. With a layout that is set in such a way to prevent
cavitation.
3. Completely airtight and constructed to ensure sealing
over time.
4. Prevent that pump stopping causes emptying, even
partial.
5. Do not use 3 or 4-way hydraulic ttings, adapters, swivel
joints, etc. as they could jeopardise pump performance.
6. Do not install Venturi tubes or injectors for detergent
suction.
7. Avoid use of base valves or other types of unidirectional
valves.
8. Do not recirculate by-pass valve discharge directly into
suction.
9. Provide for proper guards inside the tank to prevent that
water ow from the bypass and the tank supply line can
create vortexes or turbulence near the pump supply pipe
port.
10. Make sure the suction line is thoroughly clean inside
before connecting it to the pump.
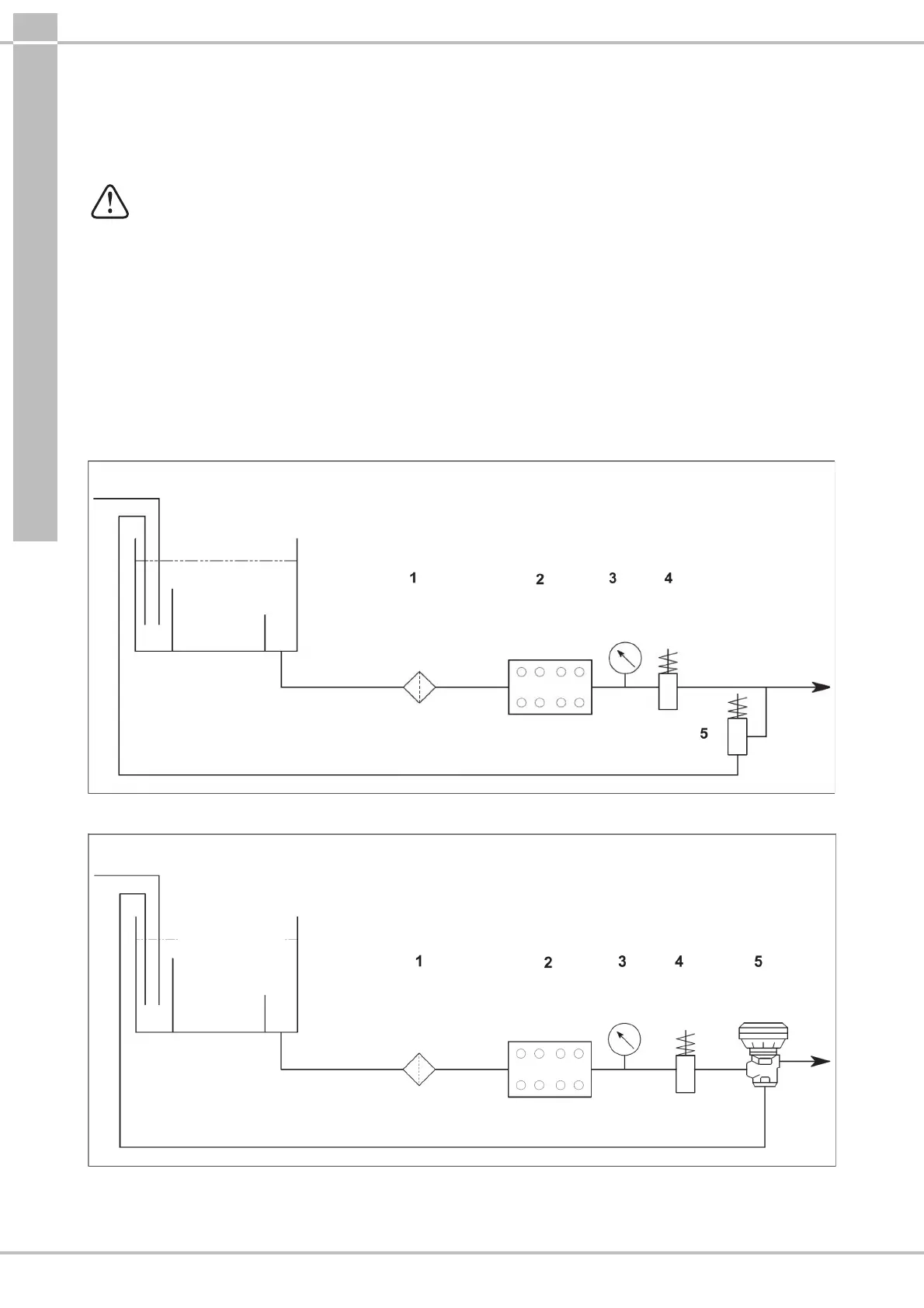
9.7 Filtration
1 lter must be installed on the pump suction line, positioned as indicated in Fig.6 and Fig.6/a.
With a manually activated control valve
1 Filter 1
2 Plunger pump
3 Pressure gauge
4 Safety valve
5 Manual control valve
Inlet
Supply tank
Bypass
Fig.6
With a pneumatically activated control valve
1 Filter 1
2 Plunger pump
3 Pressure gauge
4 Safety valve
5 Pneumatic control valve
Inlet
Supply tank
Bypass
Fig.6/a

Related product manuals