EasyManua.ls Logo

iSHAN YET-A1 - Electrical Wiring Diagram

iSHAN YET-A1
25 pages
Print Icon
To Next Page IconTo Next Page
To Next Page IconTo Next Page
To Previous Page IconTo Previous Page
To Previous Page IconTo Previous Page
Loading...
12 - 25
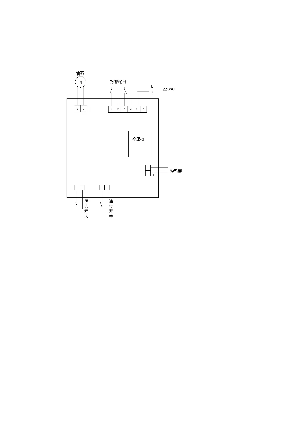
8-2 接線圖

Other manuals for iSHAN YET-A1

Related product manuals