EasyManua.ls Logo

iSHAN YET-A1 - Lubricator Components Identification

iSHAN YET-A1
25 pages
Print Icon
To Next Page IconTo Next Page
To Next Page IconTo Next Page
To Previous Page IconTo Previous Page
To Previous Page IconTo Previous Page
Loading...
4 - 25
2-1.4 發生故障時
* 只有裕祥公司的客戶服務人員有權進行維修, 並須使用原廠之備用零件。
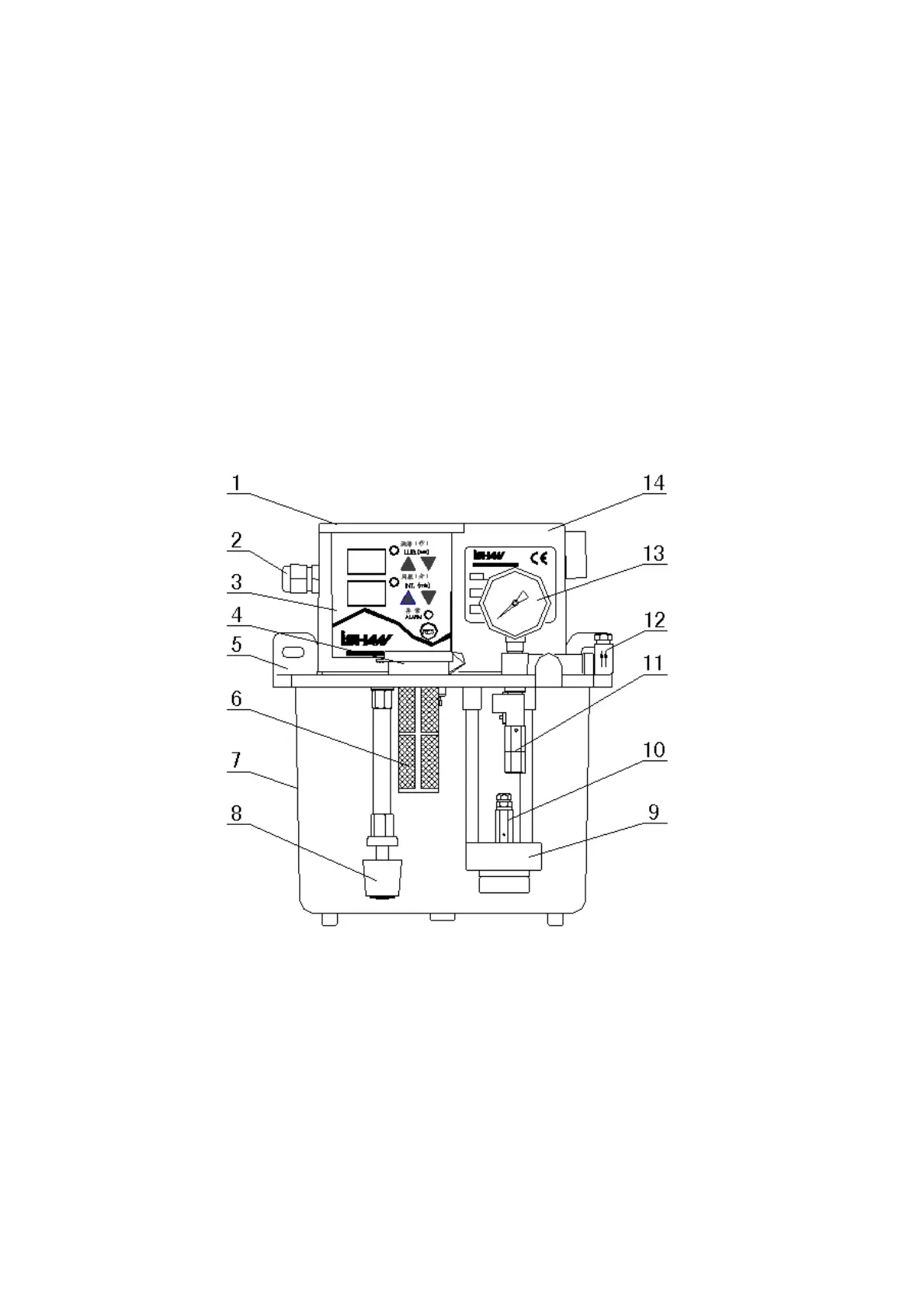
2-2 注油機組成元件
()
1
電子箱頂蓋
8
液位開關
2
電纜固定頭
9
齒泵
3
YET-A
控制面版
10
釋壓閥
4
丸蓋
11
脫壓機構(
A2
專用)
5
上蓋
12
直角接頭
6
加油口濾網
13
壓力錶
7
油箱
14
電子箱外殼

Other manuals for iSHAN YET-A1

Related product manuals