EasyManua.ls Logo

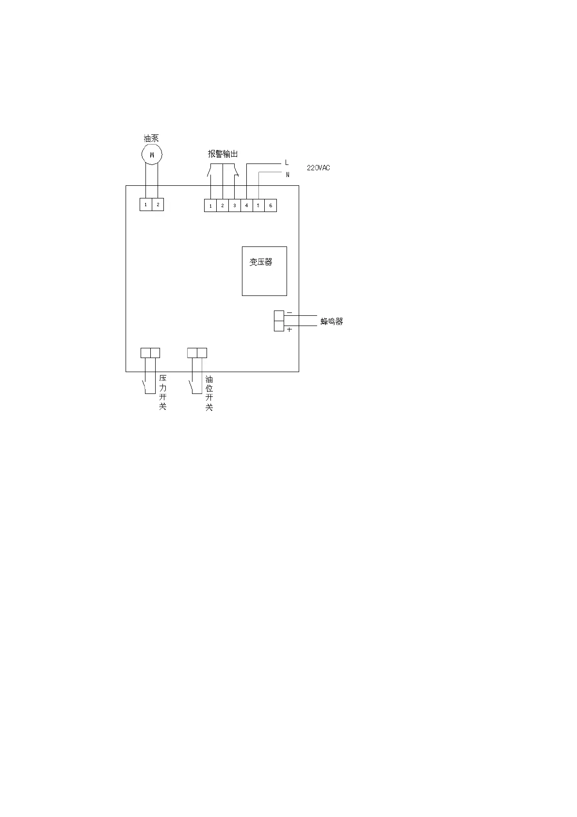
iSHAN YET-A2P2 - 接線圖

Default Icon
25 pages
Print Icon
To Next Page IconTo Next Page
To Next Page IconTo Next Page
To Previous Page IconTo Previous Page
To Previous Page IconTo Previous Page
Loading...
12 - 25
8-2 接線圖

Other manuals for iSHAN YET-A2P2

Related product manuals