EasyManua.ls Logo

iSHAN YET-A2P2 - 2-1.4 發生故障時; 注油機組成元件

Default Icon
25 pages
Print Icon
To Next Page IconTo Next Page
To Next Page IconTo Next Page
To Previous Page IconTo Previous Page
To Previous Page IconTo Previous Page
Loading...
4 - 25
2-1.4 發生故障時
* 只有裕祥公司的客戶服務人員有權進行維修, 並須使用原廠之備用零件。
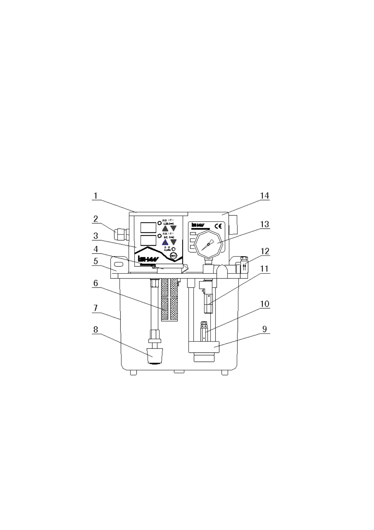
2-2 注油機組成元件
()
1
電子箱頂蓋
8
液位開關
2
電纜固定頭
9
齒泵
3
YET-A
控制面版
10
釋壓閥
4
丸蓋
11
脫壓機構(
A2
專用)
5
上蓋
12
直角接頭
6
加油口濾網
13
壓力錶
7
油箱
14
電子箱外殼

Other manuals for iSHAN YET-A2P2

Related product manuals