EasyManua.ls Logo

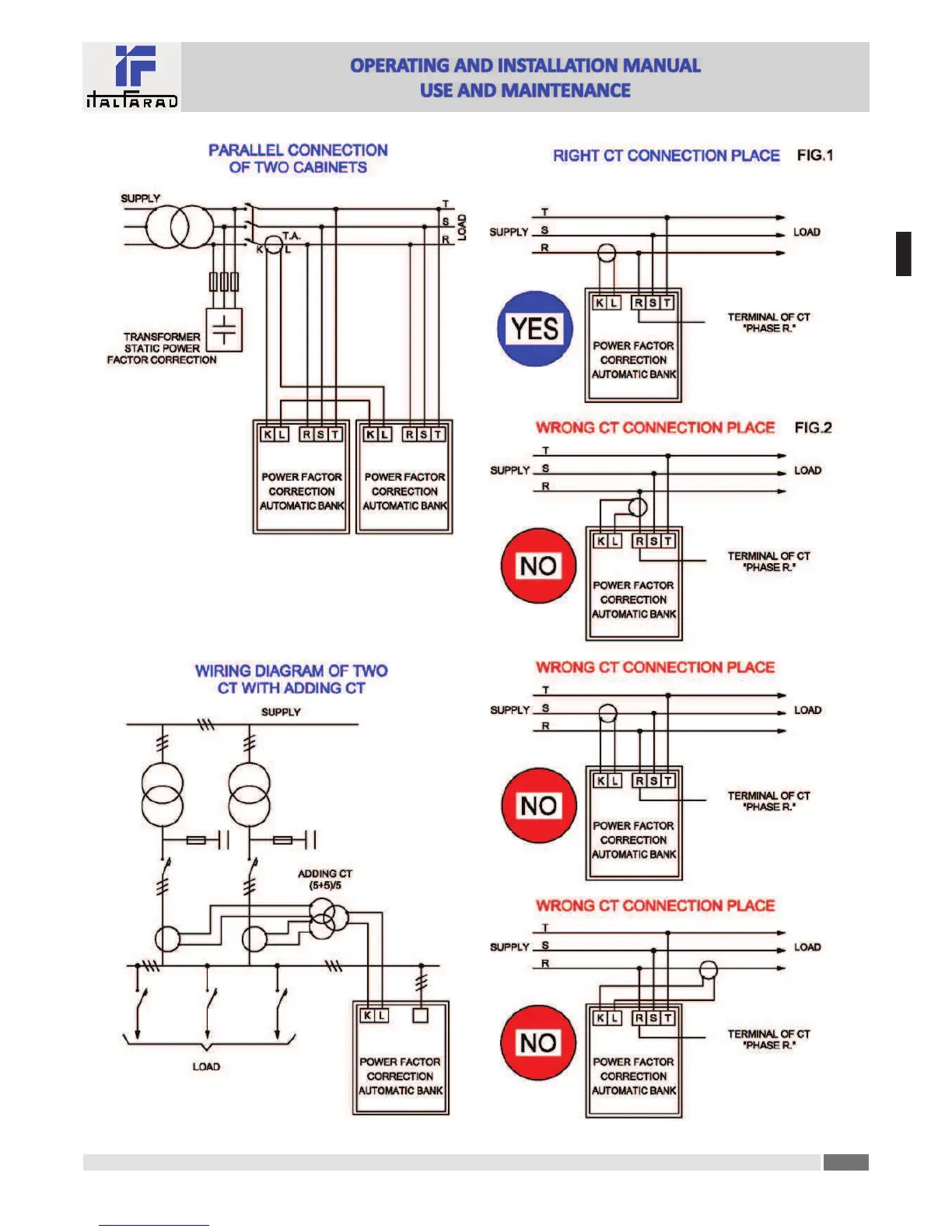
ITALFARAD PFC96evo - Connec!On Diagram; CT Connec!On Place

ITALFARAD PFC96evo
14 pages
Print Icon
To Next Page IconTo Next Page
To Next Page IconTo Next Page
To Previous Page IconTo Previous Page
To Previous Page IconTo Previous Page
Loading...
Italfarad S.p.A. Via IV Novembre n.1 40061 Minerbio Bologna Italy Tel.+39 051 6618311 Fax +39 051 6605594 E-mail: italfarad@italfarad.com Web:www.italfarad.com 15
E
N

Other manuals for ITALFARAD PFC96evo

Related product manuals