EasyManua.ls Logo

ITC Audio TI-60CT - Applications

ITC Audio TI-60CT
14 pages
Print Icon
To Next Page IconTo Next Page
To Next Page IconTo Next Page
To Previous Page IconTo Previous Page
To Previous Page IconTo Previous Page
Loading...
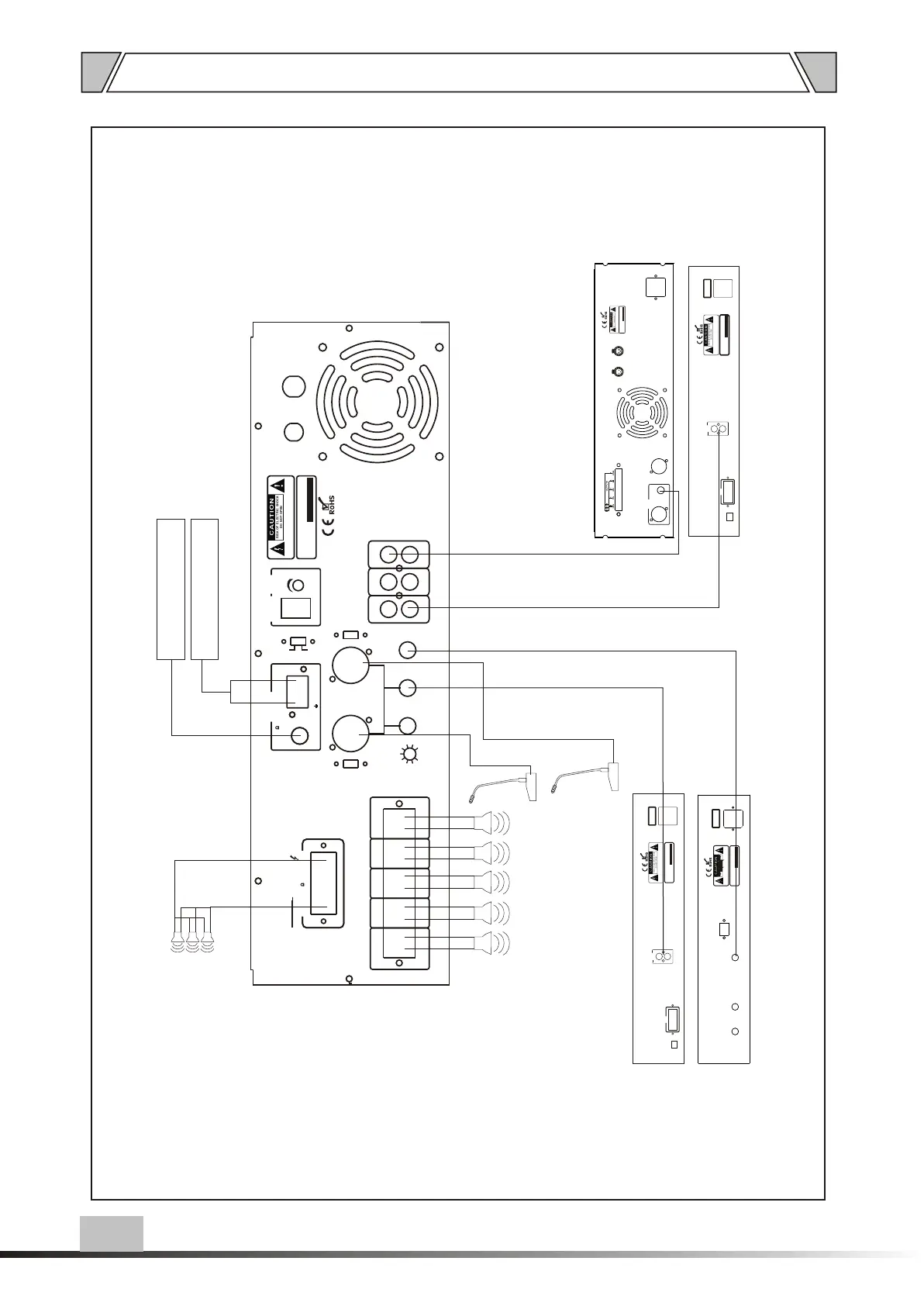
6. APPLICATIONS
MIC 3
MIC 2
+ ALARM IN -
ALARM OUT
RISK OF ELECTRIC SHOCK
DO NOT OPEN
RISK OF ELECTRIC SHOCK
DO NOT OPEN
RISQUE DE CHOC ELECTRICUS
-NE PAS QUVRIR
AVIS:
PUBLIC ADDRESS SYSTEM
SERIAL NO:
~230V 50Hz
T1AL250V
EMERGENCY PANEL
~230V 50Hz
T1AL250V
AUDIO
OUT
R
L
RISK OF ELECTRIC SHOCK
DO NOT OPEN
RISQUE DE CHOC ELECTRICUS
-NE PAS QUVRIR
AVIS:
PUBLIC ADDRESS SYSTEM
SERIAL NO:
AUDIO SOURCES
~230V 50Hz
T1AL250V
AUDIO
OUT
R
L
COM
ADRESS TAG
RISK OF ELECTRIC SHOCK
DO NOT OPEN
RISQUE DE CHOC ELECTRICUS
-NE PAS QUVRIR
AVIS:
PUBLIC ADDRESS SYSTEM
SERIAL NO:
AUDIO SOURCES
LINK
INPUTS
RISK OF ELECTRIC SHOCK
DO NOT OPEN
RISQUE DE CHOC ELECTRICUS
-NE PAS QUVRIR
AVIS:
PUBLIC ADDRESS SYSTEM
SERIAL NO:
XLR BAL
1-GND
2-HOT+
3-COLD
1
2
3
1
2
3
OUTPUTS
INPUTS
~ 230V 50Hz
T5AL 250V
POWER AMPLIFIER
SPEAKERS
OUTPUT
ZONE 2
COM 100V
ZONE 3
COM 100V
ZONE 1
COM 100V
COM
4-16 70V
MIC2
MIC3
MUTE
LINE 1 LINE 2
ANTENNA
LOOP ANTENNA
AM
GND
FM 75
ZONE 4
COM 100V
ZONE 5
COM 100V
100V
OFF
ON
PHANTOM
+48V
EMC INPUT
AUX 1
PRE OUT
AMP IN
OUT
RISK OF ELECTRIC SHOCK
DO NOT OPEN
RISQUE DE CHOC ELECTRICUS
-NE PAS QUVRIR
AVIS:
PUBLIC ADDRESS SYSTEM
SERIAL NO:
PRIORITY
CHIME
VOL.
PHANTOM
+48V
OFF
ON
CHIME
2 TONE
4 TONE
~230V 50HzT2AL250V
AM ANTENNA
FM ANTENNA
SPEAKERS
MIC
LINE
COM
ADRESS TAG
9
TI-60CT/TI-120CT/TI-240CT