EasyManua.ls Logo

ITRON RB 4700 Series - SSV 8500 Shut-off Valve; Operating Principle of the Shut-off Valve; Shut-off Valve with Screw Reset

ITRON RB 4700 Series
44 pages
Print Icon
To Next Page IconTo Next Page
To Next Page IconTo Next Page
To Previous Page IconTo Previous Page
To Previous Page IconTo Previous Page
Loading...
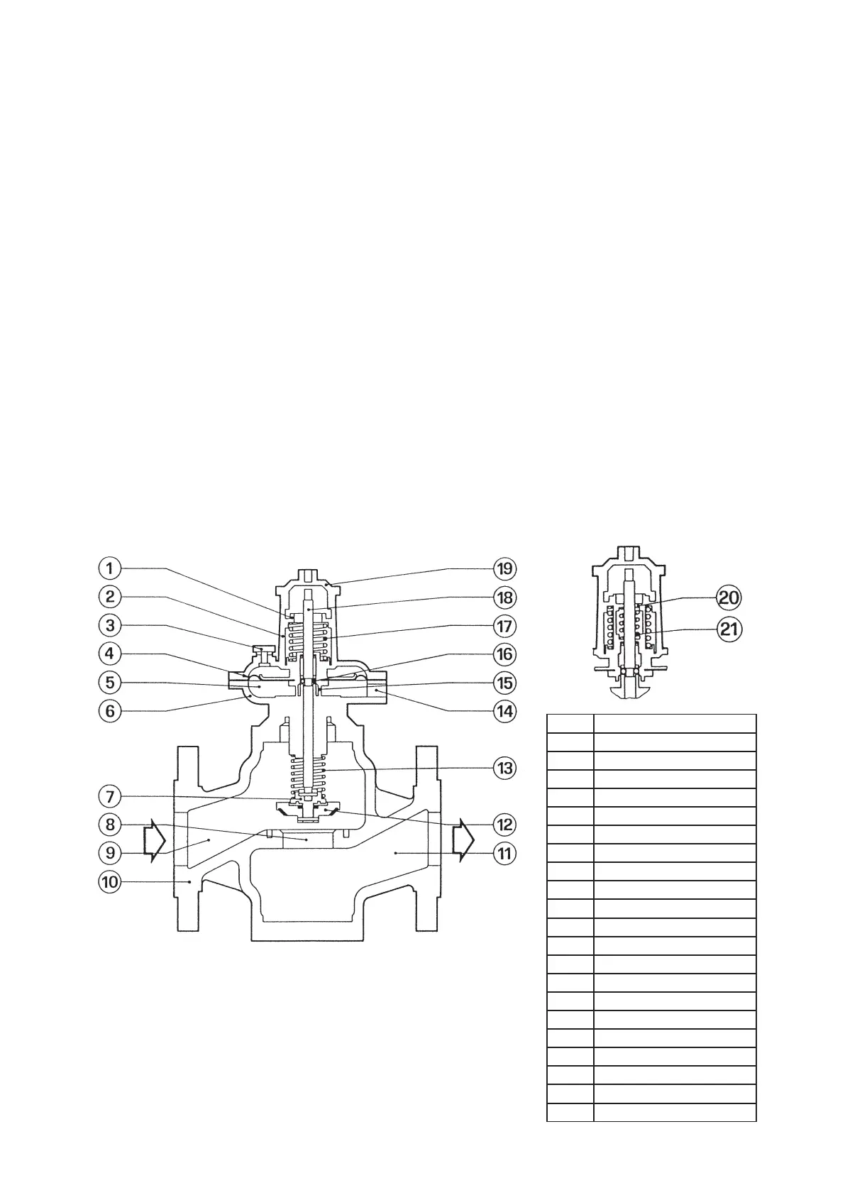
Operating principle of the shut-off valve
The shut-off device is a safety device that goes off
when the pressure value in the downstream pipe
increases or decreases beyond the prefixed cali-
bration values, cutting automatically the flow of the
gas.
Shut-off valve with screw reset
These device consists of a valve body 10, a control
head, a diaphragm assembly 4 - 15 and a stem
valve plug assembly 12 – 18, which remain in a
balanced position through a mechanical ball sys-
tem. The shut-off valve is triggered when the pres-
sure value in the control chamber 5, that from the
downstream pipe flow into this chamber through
the impulse intake 14, increases or decreases be-
yond the established pressure values, thus moving
from its balancing position the diaphragm assem-
bly 4 15. The stem 18 connected to the valve plug
12 triggers under the force of the spring 13, coming
immediately into contact with the valve 8 cutting
automatically the flow of the gas.
NOTE: The schematic section refers to a safety
valve installed of series 8500, but the operating
principle is valid even for other safety valves in-
stalled of series 8200 and 8300.
34
34
SSV 8500 (for RB 4700 models with integrated SSV 8500)
Item Description
1 Screwing ring
2 Cover
3 Vent
4 Diaphragm
5 Motorisation chamber
6 Flange
7 Valve plug plate
8 Valve orifice
9 inlet chamber
10 Valve body
11 Outlet chamber
12 Valve plug
13 Valve plug spring
14 Diaphragm plate
15 Impulse intake
16 Balls
17 Max calibration spring
18 Stem
19 Cover
20 Screwing ring
21 Min calibration spring

Related product manuals