EasyManua.ls Logo

ITRON RB 4732 - Page 41

ITRON RB 4732
44 pages
Print Icon
To Next Page IconTo Next Page
To Next Page IconTo Next Page
To Previous Page IconTo Previous Page
To Previous Page IconTo Previous Page
Loading...
41
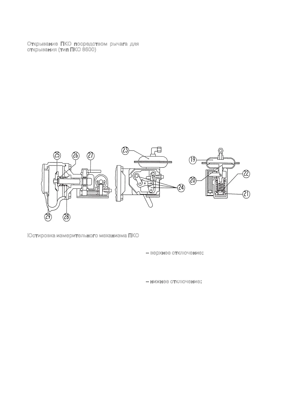
Открывание ПКО посредством рычага для
открывания (тип ПКО 8600)
закройте выходную запорную арматуру
медленно открывайте возвратный рычаг
27 по часовой стрелке, пока внутреннее
выравнивание 26 давления не будет ра-
зомкнуто:
Таким порядком шагов заполняются зона
за тарельчатым затвором клапана ПКО,
камера 12 выходного давления, а также
камера 19 измерения, над чем можно на-
блюдать с помощью установленного вну-
три выходной трубы манометра.
как только давление на выходе больше не
изменяется, дальнейшим движением ры-
чага 27 для открывания обеспечивается
блокировка c передаточным механизмом
24 в открытом положении.
Сейчас ПКО находится в рабочем положе-
нии, и можно медленно открывать выход-
ной кран.
Юстировка измерительного механизма ПКО
С завода ПКО настроен на те значения, за-
данные в заказе заказчика. Если вы хотите
изменить настроенные значения, тогда про-
верьте сначала, можно ли вообще реализо-
вать новые значения со встроенными диа-
пазонами выходного давления. Если нет, то
сначала установите подходящую пружину.
Предположим, что подходящая пружина
установлена, тогда соблюдайте следующую
последовательность шагов:
– верхнее отключение:
поворачивая юстировочный винт (большой
ø) по часовой стрелке, поднимают точку сра-
батывания, а против часовой стрелки - сни-
жают точку срабатывания.
– нижнее отключение:
поворачивая юстировочный винт (малень-
кий ø) по часовой стрелке поднимают точку
срабатывания, а против часовой стрелки -
снижают точку срабатывания.