EasyManua.ls Logo

J. A. Roby Elda - STAINLESS STEEL TUBES REPLACEMENT; Stainless steel tubes Installation; How to install the tubes

J. A. Roby Elda
35 pages
Print Icon
To Next Page IconTo Next Page
To Next Page IconTo Next Page
To Previous Page IconTo Previous Page
To Previous Page IconTo Previous Page
Loading...
July 13, 2017
18
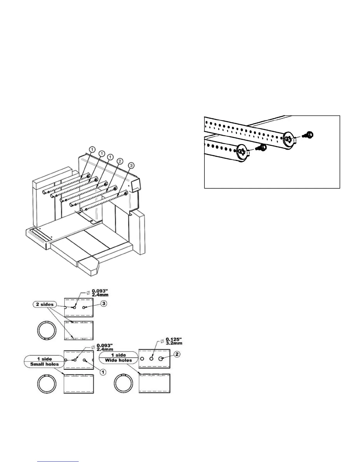
STAINLESS STEEL TUBES REPLACEMENT
Although the tubes are in stainless steel, because of the
extreme temperatures and conditions inside the firebox, the
tubes could eventually corrode and perforate depending of
operating conditions. In that scenario, your stove becomes less
effective in terms of combustion quality and the tubes will need
to be replaced to ensure the performance of your appliance.
Stainless steel tubes Installation
There are three types of tubes to install.
The three tubes in the back (1) are perforated from a single
side, and the second tube in the front (2) is also perforated
from a single side but with bigger holes than the other tubes.
The first tube in front (3) is perforated on both side with smaller
holes as on the 1,2 & 3. tubes
How to install the tubes
1) Insert the tube on either end into the round hole of the
hot air channel.
2) Insert the other end in the corresponding hot air
channel hole.
3) Center the tube and align the holes with the tabs.
Screw the tube to the side tabs at both ends by using
the bigger tube‘s holes intended for that purpose.
.
4) Install the next tube.
To remove the tubes, do these steps in the reverse order.

Table of Contents

Related product manuals