EasyManua.ls Logo

J.E. Adams 8105 - Page 20

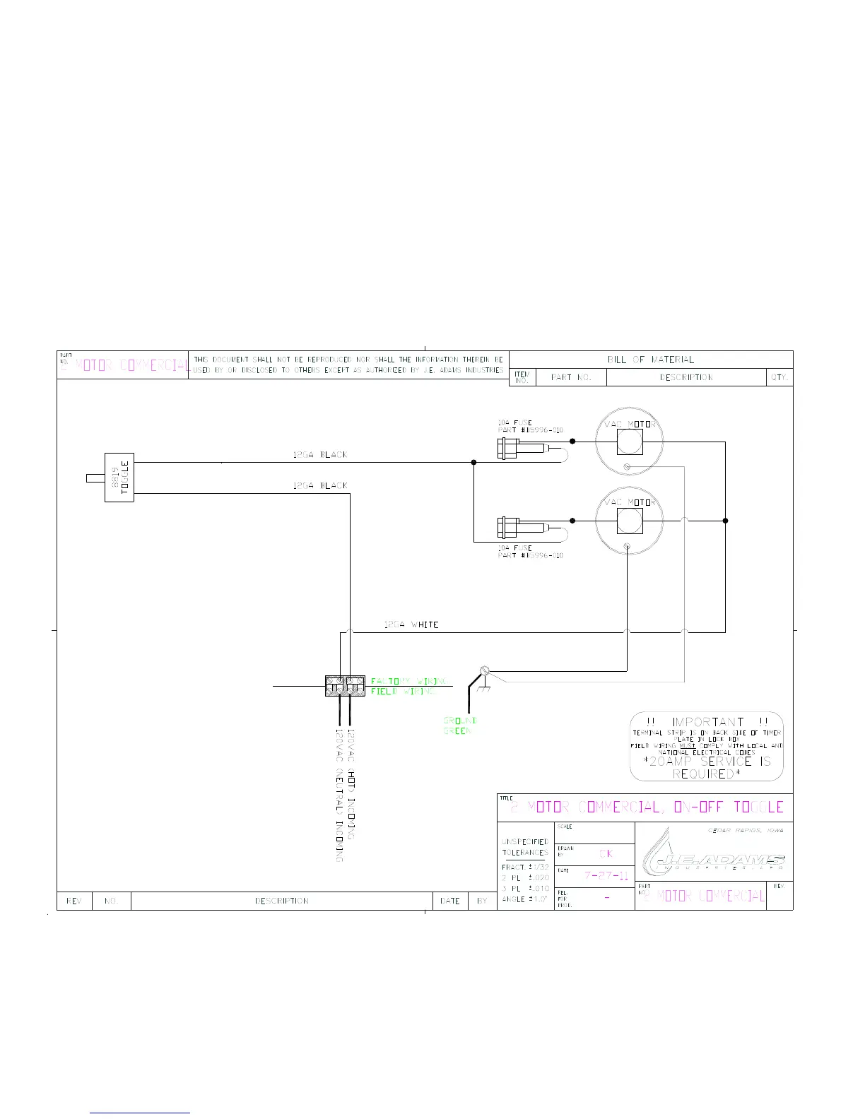
J.E. Adams 8105
24 pages
Print Icon
To Next Page IconTo Next Page
To Next Page IconTo Next Page
To Previous Page IconTo Previous Page
To Previous Page IconTo Previous Page
Loading...
REV 7-16-201220

Related product manuals