EasyManua.ls Logo

J.E. Adams 8105 - Page 22

J.E. Adams 8105
24 pages
Print Icon
To Next Page IconTo Next Page
To Next Page IconTo Next Page
To Previous Page IconTo Previous Page
To Previous Page IconTo Previous Page
Loading...
REV 7-16-201222
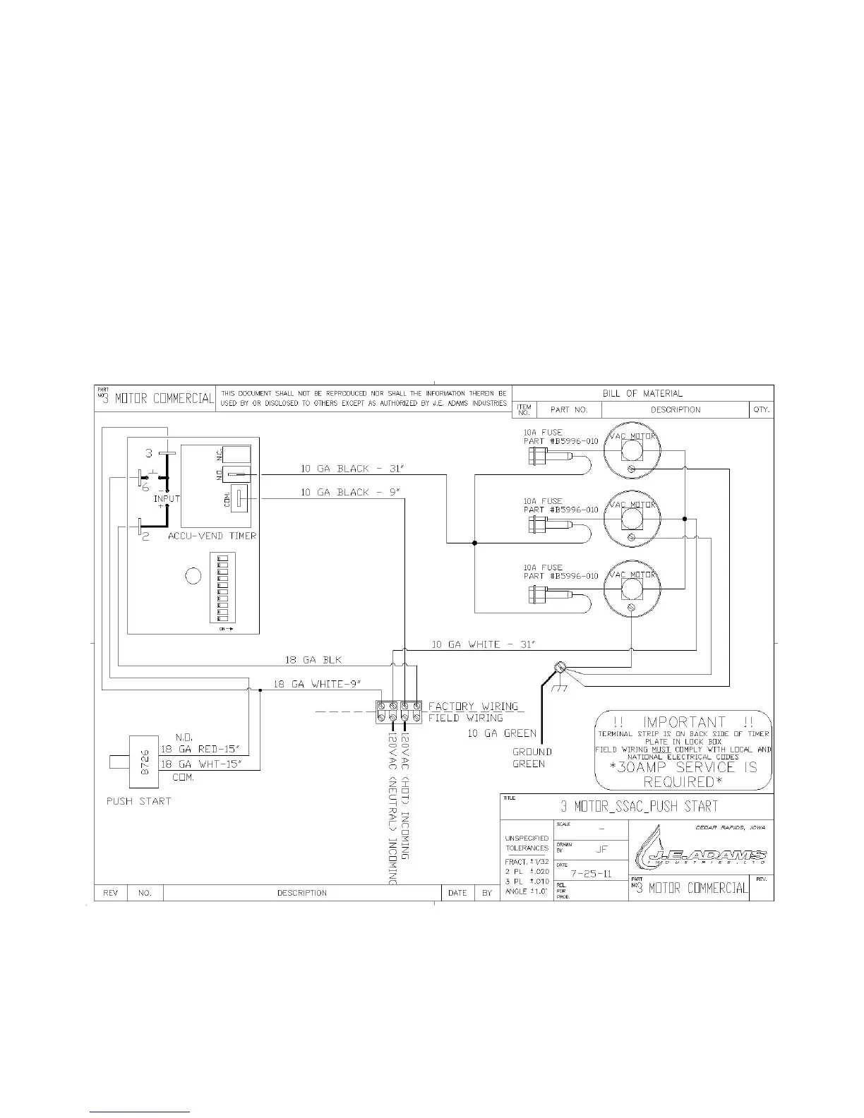
120V with push button kit

Related product manuals