EasyManua.ls Logo

Jack JK-T718E - Page 47

Jack JK-T718E
66 pages
Print Icon
To Next Page IconTo Next Page
To Next Page IconTo Next Page
To Previous Page IconTo Previous Page
To Previous Page IconTo Previous Page
Loading...
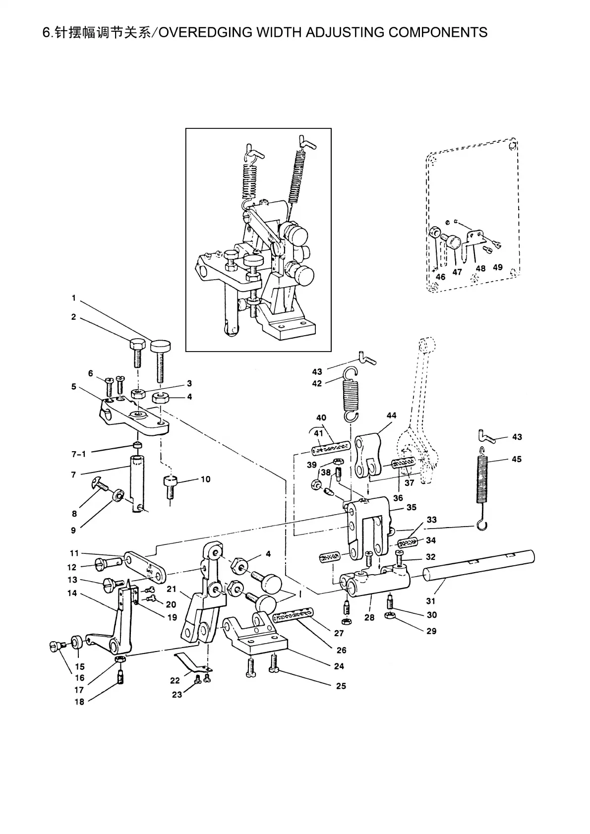
6
.
针摆幅调节关系
/OVEREDGING
WIDTH
ADJUSTING
COMPONENTS
5
比一
43
45
- 11 -

Related product manuals