EasyManua.ls Logo

Jacobsen Eclipse 2 122F - Grass Shield and Roller Brackets

Jacobsen Eclipse 2 122F
100 pages
Print Icon
To Next Page IconTo Next Page
To Next Page IconTo Next Page
To Previous Page IconTo Previous Page
To Previous Page IconTo Previous Page
Loading...
72
1
2
2
2
3
4
5
5
6
9
6
7
7
8
9
10
11
12
13
14
14
14
15
11
12
13
14
15
16
16
16
17
17
19
19
18
18
8
10
4127335
ECLIPSE
2
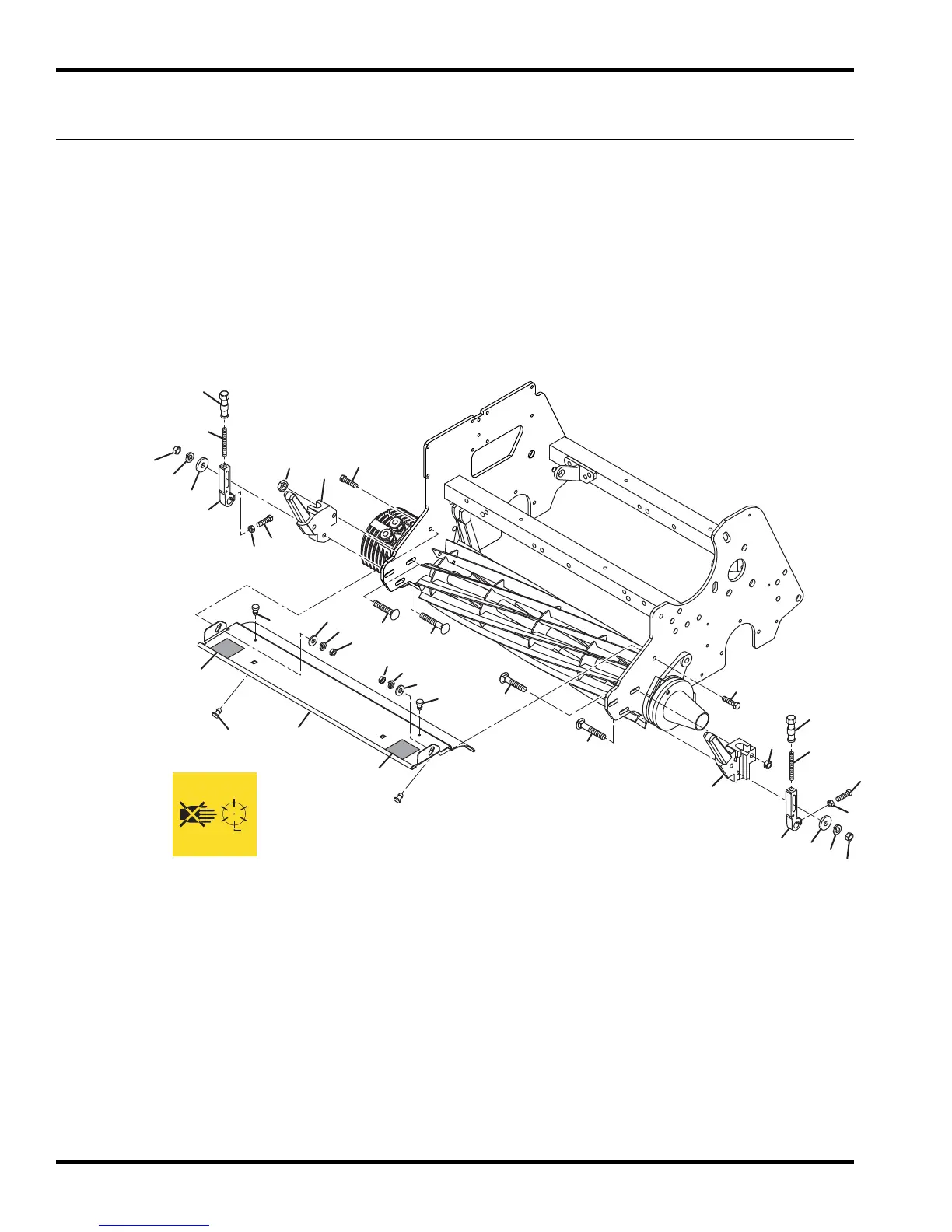
8.1 Grass Shield and Roller Brackets
Fixed Head Units Only
Serial No. 63334 - All
Serial No. 63335 - All
Serial No. 63338 - All
Serial No. 63339 - All
Serial No. 63342 - All
Serial No. 63343 - All
Serial No. 63344 - All
Serial No. 63347 - All
Serial No. 63348 - All
Serial No. 63351 - All

Table of Contents

Related product manuals