EasyManua.ls Logo

Jacuzzi Premium J-325 - J-335;J-345 Circuit Board Wiring Diagram

Jacuzzi Premium J-325
62 pages
To Next Page IconTo Next Page
To Next Page IconTo Next Page
To Previous Page IconTo Previous Page
To Previous Page IconTo Previous Page
Loading...
51
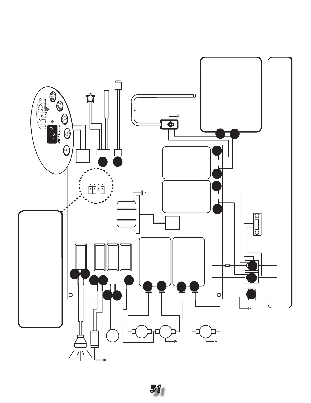
A10.0 2004 ProTech LED Circuit Board Wiring Diagram (US/Canada 60Hz)
J-335, J-345 US/Canada 60Hz Models
Circuit Board Type: ProTech LED, 6600-088.
TRANSFORMER
SPA
LIGHT
O
3
optional CD Ozone
Circ.
Pump
N
L
N
L
N
N
N
N L
L1
L2
N L
N L
L
L
L
L
PUMP
1
PUMP
2
LO
HI
HI
GRN
US / Canada 60 Hz Power Connections
240 VAC 60 Hz, 1-Phase;
USE COPPER CONDUCT
ORS ONLY, WIRE SIZE MUST
BE
APPROPRIA
TE PER NEC
AND/OR LOCAL
CODES
*
This device complies with Part
15 of the FCC rules. Operation is
subject to the following two
conditions:
1. This device may not cause
harmful interference.
2. This device must accept any
inteference received including
interference that may cause
undesired operation.
STEREO
*
(optional)
20A, 250 V, SC-20
Temp. Sensor
HI-Limit/Freeze Sensor
Flow Switch
Heater
5.5 kW
JP1
4
2
3
1
6 5
8 7
1
2
3
4
5
6
7
8
9
10
11
12
13
14
15
16
17
18
19
20
21
22
Logic Jumper Settings for all Domestic 60 Hz Models:
JP1 1-2 ON = 30
A
Logic (Overrides 60A
Logic)
JP1 1-2 OFF = 50
A
Logic
JP1 5-6 ON = 60
A
Logic (J-345 w/3.54 Chip Only)
JP1 5-6 OFF = 30 or 50A
Logic (3.54 Chip Only)
JP1 7-8 ON = C
T
emperature Display
JP1 7-8 OFF = F
Temperature Display

Table of Contents

Related product manuals