EasyManua.ls Logo

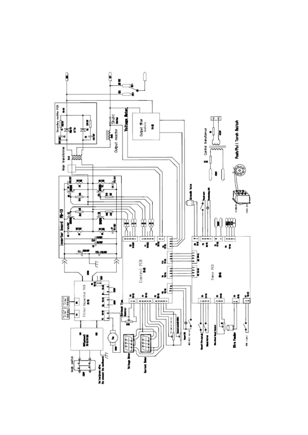
Jasic MIG 250C - Schematic

Jasic MIG 250C
50 pages
Print Icon
To Next Page IconTo Next Page
To Next Page IconTo Next Page
To Previous Page IconTo Previous Page
To Previous Page IconTo Previous Page
Loading...
46
SCHEMATIC
Wiring diagram for the JM-202C & JM-252C