EasyManua.ls Logo

Jay's Audio CDT2-MK3 - Page 5

Jay's Audio CDT2-MK3
10 pages
Print Icon
To Next Page IconTo Next Page
To Next Page IconTo Next Page
To Previous Page IconTo Previous Page
To Previous Page IconTo Previous Page
Loading...
WWW.JAYS-AUDIO.COM Page 5 of 10
The Digital Outputs are isolated. You may connect more than one output to the external
DACs. Should you need to run a long interconnect cable, we recommend ASE/EBU
connection.
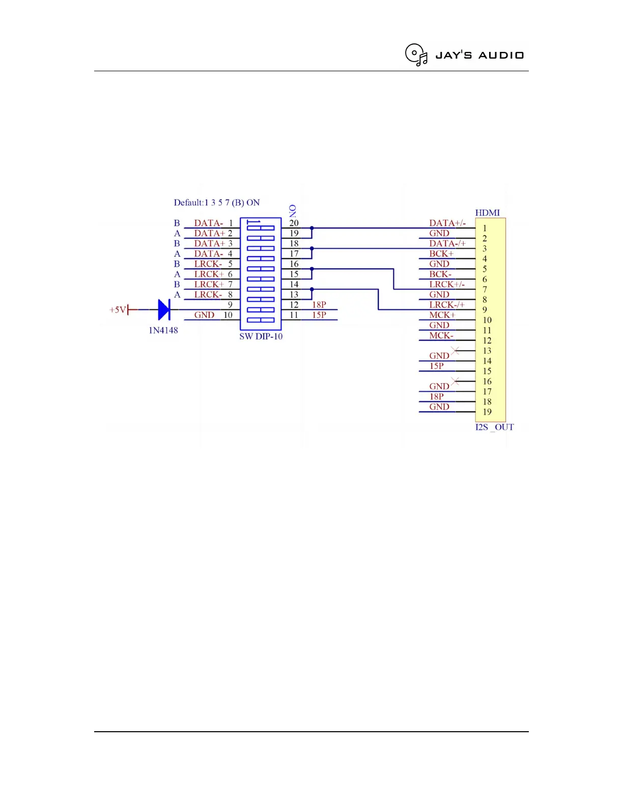
HDMI I2S (LVDS)
Figure 2. HDMI I2S Pinout
There is no industry standard of I2S connection. We could not guarantee the I2S connection
workability with your DAC. This shall not be considered as a defect should the matching
failed.
List of verified and tested DACs:
JAY’S AUDIO DAC2-SE
DENAFRIPS Pontus/Venus/Terminator (I2S Mode 000)
PSAudio Directstream DAC
Singxer SDA-1
Holo Spring 1/2

Related product manuals