EasyManua.ls Logo

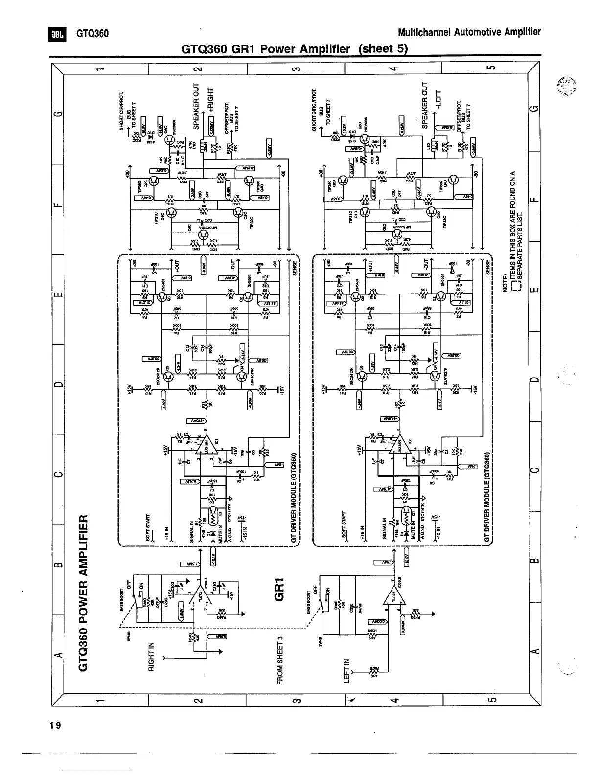
JBL GTQ360 - GR1 Power Amplifier

JBL GTQ360
25 pages
Print Icon
To Next Page IconTo Next Page
To Next Page IconTo Next Page
To Previous Page IconTo Previous Page
To Previous Page IconTo Previous Page
Loading...